ΠΊΠ°ΠΊ ΠΏΡΠΎΡΠΈΡΡ ΠΌΠΎΠ·Π³ΠΈ Π²Π°Π· 2107 ΠΈΠ½ΠΆΠ΅ΠΊΡΠΎΡ
ΠΡΠΎΡΠΈΠ²Π°Π΅ΠΌ ΠΠΠ£ Π―Π½Π²Π°ΡΡ 7.2
ΠΡΠ΅ΠΌ Π΄ΠΎΠ±ΡΠΎΠ³ΠΎ Π²ΡΠ΅ΠΌΠ΅Π½ΠΈ ΡΡΡΠΎΠΊ.
Π΅ΡΠ΅ Π² ΠΏΡΠΎΡΠ»ΠΎΠΌ Π³ΠΎΠ΄Ρ Π±ΡΠ» ΠΏΡΠΈΠΎΠ±ΡΠ΅ΡΠ΅Π½ ΡΠ°Π·ΠͺΠ΅ΠΌ Π΄Π»Ρ Π΄ΠΈΠ°Π³Π½ΠΎΡΡΠΈΠΊΠΈ. ΡΠΏΠ΅ΡΠ²Π° ΠΏΡΠΎΡΡΠΎ ΠΈΠ³ΡΠ°Π»ΡΡ Ρ Π½ΠΈΠΌ, ΡΠΌΠΎΡΡΠ΅Π» ΠΈΠ½ΡΡ ΠΎ Π²ΡΠ΅Ρ Π΄Π°ΡΡΠΈΠΊΠ°Ρ β ΠΎΠ±ΠΎΡΠΎΡΡ, Π½Π°ΠΏΡΡΠΆΠ΅Π½ΠΈΠ΅, ΡΠΊΠΎΡΠΎΡΡΡ, ΡΠ°ΡΡ ΠΎΠ΄ Π²ΠΎΠ·Π΄ΡΡ Π° ΠΈ ΡΠΎΠΏΠ»ΠΈΠ²Π°, Π½Π°Π»ΠΈΡΠΈΠ΅ ΠΎΡΠΈΠ±ΠΎΠΊ ΠΠΠ£ ΠΈ Ρ.Π΄., Π½Ρ Π²ΠΎΠΎΠ±ΡΠ΅ΠΌ ΠΏΠΎΠ΄ΠΎΠ±ΠΈΠ΅ Π±ΠΎΡΡΠΎΠ²ΠΈΠΊΠ°. Π½ΠΎ ΡΡΠΎ Π±ΡΡΡΡΠΎ Π½Π°Π΄ΠΎΠ΅Π»ΠΎ ΠΈ Π²ΠΎΠ·Π½ΠΈΠΊΠ»Π° ΠΌΡΡΠ»Ρ ΠΎ ΠΏΡΠΎΡΠΈΠ²ΠΊΠ΅. Π² ΡΠΎΠ΄Π½ΠΎΠΉ ΠΏΡΠΎΡΠΈΠ²ΠΊΠ΅ Π½Π΅ ΡΡΡΡΠ°ΠΈΠ²Π°Π»ΠΈ Π·Π°ΡΡΠΏΡ ΠΏΡΠΈ ΡΠ΅Π·ΠΊΠΎΠΌ Π½Π°ΠΆΠ°ΡΠΈΠΈ Π½Π° Π³Π°Π·, ΠΎΡΠ΅Π½Ρ Π±ΠΎΠ»ΡΡΠΎΠΉ ΠΎΡΠΊΠ»ΠΈΠΊ Π±ΡΠ». Π½Ρ ΠΈ Π΅ΡΡΡΠ΅ΡΡΠ²Π΅Π½Π½ΠΎ ΡΡΠΎΠΊΠΎΠ²Π°Ρ ΠΏΡΠΎΡΠΈΠ²ΠΊΠ° Π½ΠΈ ΡΠ°Π·Ρ Π½Π΅ Π΄ΠΈΠ½Π°ΠΌΠΈΡΠ½Π°Ρ, Ρ ΠΎΡΠ΅ΡΡΡ ΡΠ΅Π³ΠΎ ΡΠΎ ΠΏΠΎΠ±ΠΎΠ΄ΡΠ΅ΠΉ(Π·Π½Π°Ρ, ΠΎ ΠΎΠ΄Π½ΠΎΠΉ ΠΏΡΠΎΡΠΈΠ²ΠΊΠΈ ΡΠΎΠ»ΠΊΡ ΠΌΠ°Π»ΠΎ, Π½ΠΎ Π²ΡΠ΅ ΠΆΠ΅). ΡΡΠ°Π» ΠΈΡΠΊΠ°ΡΡ ΠΈΠ½ΡΡ ΠΎ ΡΠΎΠΌ, ΠΌΠΎΠΆΠ΅Ρ Π»ΠΈ ΠΌΠΎΠΉ ΠΏΡΠΎΠ²ΠΎΠ΄ ΠΏΡΠΎΡΠΈΠ²Π°ΡΡ. ΠΎΠΊΠ°Π·Π°Π»ΠΎΡΡ ΡΡΠΎ ΠΌΠΎΠΆΠ΅Ρ. Π·Π΄Π΅ΡΡ Π½Π° Π΄ΡΠ°ΠΉΠ²Π΅ ΠΏΠΎΠΏΠ°Π»ΡΡ ΠΌΠ°Π½ΡΠ°Π» ΠΏΠΎ ΠΏΡΠΎΡΠΈΠ²ΠΊΠ΅(Π²ΠΎΡ ΠΎΠ½ www.drive2.ru/l/4899916394579282221/ ). Ρ ΠΏΡΠΎΠ²ΠΎΠ΄ΠΎΠΌ ΡΠ΅ΡΠ΅Π½ΠΎ. Π΄Π°Π»ΡΡΠ΅ Π½ΡΠΆΠ½ΠΎ Π±ΡΠ»ΠΎ Π½Π°ΠΉΡΠΈ ΠΏΡΠΎΡΠΈΠ²ΠΊΡ. ΡΡΠ»ΡΡ ΠΏΠΎ ΡΠ°ΠΉΡΠ°ΠΌ Ρ ΠΏΡΠΎΡΠΈΠ²ΠΊΠ°ΠΌΠΈ, Π½ΠΎ ΠΏΠ΅ΡΠ²ΡΡ ΠΏΠΎΠΏΠ°Π²ΡΡΡΡΡ Π±ΡΠ°ΡΡ Π½Π΅ Ρ ΠΎΡΠ΅Π», ΡΠ΅ΠΌ Π±ΠΎΠ»Π΅Π΅ ΠΎΠΏΠΈΡΠ°Π½ΠΈΠ΅ Ρ Π²ΡΠ΅Ρ ΠΏΠΎΡΡΠΈ ΠΎΠ΄ΠΈΠ½Π°ΠΊΠΎΠ²ΠΎΠ΅(ΡΠ½ΠΈΠΆΠ΅Π½ ΡΠ°ΡΡ ΠΎΠ΄, Π»ΡΡΡΠ΅ Π΄ΠΈΠ½Π°ΠΌΠΈΠΊΠ° ΠΈ Ρ.Π΄.), ΠΊΠΎΠΌΠ΅Π½ΡΠ°ΡΠΈΡΠΌ ΠΊΠ°ΠΊ ΡΠΎ Π½Π΅ Π²Π΅ΡΠΈΠ»(ΠΌΠ°Π»ΠΎ Π»ΠΈ?). ΠΈ ΡΡΡ ΠΏΠΎΠΏΠ°Π»ΡΡ(ΠΎΠΏΡΡΡ ΠΆΠ΅ Π½Π° Π΄ΡΠ°ΠΉΠ²Π΅) ΠΏΠΎΡΡ Ρ ΠΏΡΠΎΡΠΈΠ²ΠΊΠΎΠΉ Drive K j7es 17.3 Fox v3 Ρ Launch-control ΠΎΡ ΡΠΎΠ²Π°ΡΠΈΡΠ° ubuntu-fox (ΡΡΡΠ»ΠΊΠ° Π½Π° ΠΏΠΎΡΡ www.drive2.ru/l/2518970/ ) ΡΠ°ΡΡΠΏΡΠΎΡΠΈΠ» Ρ Π½Π΅Π³ΠΎ Π²ΡΠ΅ ΠΎΠ± ΡΡΠΎΠΉ ΠΏΡΠΎΡΠΈΠ²ΠΊΠ΅. ΠΎΠΏΠΈΡΠ°Π½ΠΈΠ΅ ΠΏΠΎΠ½ΡΠ°Π²ΠΈΠ»ΠΎΡΡ, ΡΠ΅ΡΠΈΠ» Π±ΡΠ°ΡΡ. ΠΎΡΠ΄Π°Π» 400Ρ ΠΈ ΠΏΡΠΎΡΠΈΠ²ΠΊΠ° Ρ ΠΌΠ΅Π½Ρ. ΠΏΠΎΡΠ»Π΅ ΠΏΠΎΠΊΡΠΏΠΊΠΈ ΠΏΡΠΎΡΠ»ΠΎ Π½Π΅ ΠΌΠ°Π»ΠΎ Π²ΡΠ΅ΠΌΠ΅Π½ΠΈ, Π²ΡΠ΅ ΡΠΎΠ±ΠΈΡΠ°Π»ΡΡ Ρ ΠΌΡΡΠ»ΡΠΌΠΈ, Π΄Π° ΠΈ ΠΏΡΠΎΠ²ΠΎΠ΄Π° Π±ΡΠ»ΠΎ Π»Π΅Π½Ρ ΠΈΡΠΊΠ°ΡΡ ΠΏΠΎΠ΄Ρ ΠΎΠ΄ΡΡΠΈΠ΅. ΠΈ Π²ΠΎΡ ΡΠ΅Π³ΠΎΠ΄Π½Ρ ΡΠ½ΠΎΠ²Π° Π²ΡΠΏΠΎΠΌΠ½ΠΈΠ» ΠΎ ΠΏΡΠΎΡΠΈΠ²ΠΊΠ΅ ΠΈ ΡΠ΅ΡΠΈΠ» ΡΡΠΎ Π½Π΅ΡΠ΅Π³ΠΎ Π±ΠΎΠ»ΡΡΠ΅ ΡΡΠ½ΡΡΡ!
Π ΡΠ°ΠΊ! Π΄Π°Π»Π΅Π΅ ΠΎ ΡΠ°ΠΌΠΎΠΌ ΠΏΡΠΎΡΠ΅ΡΡΠ΅ ΠΏΡΠΎΡΠΈΠ²ΠΊΠΈ.
Π½Π°ΠΌ ΠΏΠΎΠ½Π°Π΄ΠΎΠ±ΠΈΡΡΡ:
1. ΠΠΠ£ Π―Π½Π²Π°ΡΡ 7.2
2. K-Line Π°Π΄Π°ΠΏΡΠ΅Ρ
3. ΠΏΡΠΎΠ²ΠΎΠ΄Π° Π΄Π»Ρ ΠΏΠΎΠ΄ΠΊΠ»ΡΡΠ΅Π½ΠΈΡ ΠΊ ΠΠΠ£
4. ΠΈΡΡΠΎΡΠ½ΠΈΠΊ ΠΏΠΈΡΠ°Π½ΠΈΡ 12Π(Π»ΡΡΡΠ΅ ΠΈΡΠΏΠΎΠ»ΡΠ·ΠΎΠ²Π°ΡΡ ΠΠΠ, ΠΈΠ±ΠΎ Ρ Π±Π»ΠΎΠΊΠΎΠΌ ΠΏΠΈΡΠ°Π½ΠΈΡ ΠΌΠΎΠ³ΡΡ Π²ΠΎΠ·Π½ΠΈΠΊΠ½ΡΡΡ ΠΏΡΠΎΠ±Π»Π΅ΠΌΡ, ΠΊΠ°ΠΊ Ρ ΠΌΠ΅Π½Ρ)
5. ΡΠΎΠΏΡΠΎΡΠΈΠ²Π»Π΅Π½ΠΈΠ΅ 1-5ΠΊΠΠΌ(Ρ Π±ΡΠ°Π» 3ΠΊΠΠΌ)
6. ΠΊΠ½ΠΎΠΏΠΊΠ° Ρ ΡΠΈΠΊΡΠ°ΡΠΈΠ΅ΠΉ
ΠΏΡΠΈΡΡΡΠΏΠ°Π΅ΠΌ. ΡΠ½ΠΈΠΌΠ°Π΅ΠΌ ΡΠ±Ρ ΠΈ ΡΠ°ΡΠΈΠΌ Π΄ΠΎΠΌΠΎΠΉ. Π΄ΠΎΡΡΠ°Π΅ΠΌ ΠΏΡΠΎΠ²ΠΎΠ΄Π° ΠΈ ΠΏΠΎΠ΄ΡΠΎΠ΅Π΄ΠΈΠ½ΡΠ΅ΠΌ ΡΠΎΠ³Π»Π°ΡΠ½ΠΎ ΡΡ Π΅ΠΌΠ΅
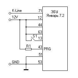
ΠΏΠΎΠ΄ΠΊΠ»ΡΡΠ°Π΅ΠΌ K-Line Π°Π΄Π°ΠΏΡΠ΅Ρ. ΠΏΡΠΎΠ²ΠΎΠ΄ΠΎΠΊ Ρ ΡΠ΅ΡΠ½ΡΠΌ ΠΊΠ΅ΠΌΠ±ΡΠΈΠΊΠΎΠΌ ΠΏΠΎΠ΄ΡΠ΅ΠΏΠ°Π΅ΠΌ ΠΊ ΠΌΠΈΠ½ΡΡΡ, Ρ ΠΊΡΠ°ΡΠ½ΡΠΌ β ΠΊ ΠΏΠ»ΡΡΡ. ΠΏΡΠΎΠ²ΠΎΠ΄ΠΎΠΊ Ρ Π±Π΅Π»ΡΠΌ ΠΊΠ΅ΠΌΠ±ΡΠΈΠΊΠΎΠΌ ΠΏΠΎΠ΄ΠΊΠ»ΡΡΠ°Π΅ΠΌ ΠΊ 71 ΠΊΠΎΠ½ΡΠ°ΠΊΡΡ ΠΠΠ£.
Π²ΡΠ΅ ΠΎΡΡΠ°Π»ΡΠ½ΠΎΠ΅ ΠΏΠΎ ΡΡ
Π΅ΠΌΠ΅. ΠΏΠ»ΡΡ Π½Π° 13 ΠΊΠΎΠ½ΡΠ°ΠΊΡ ΠΏΠΎΠ΄Π°Π΅ΠΌ ΡΠ΅ΡΠ΅Π· ΠΊΠ½ΠΎΠΏΠΊΡ, Π΄Π»Ρ ΡΠ΄ΠΎΠ±ΡΡΠ²Π° β ΡΡΠΎ ΡΠΈΠΏΠ° ΠΈΠΌΠΈΡΠ°ΡΠΈΡ Π²ΠΊΠ»ΡΡΠ΅Π½Π½ΠΎΠ³ΠΎ Π·Π°ΠΆΠΈΠ³Π°Π½ΠΈΡ. Π° Π½Π° 43 ΠΊΠΎΠ½ΡΠ°ΠΊΡ ΠΏΠ»ΡΡ ΠΏΠΎΠ΄Π°Π΅ΠΌ ΡΠ΅ΡΠ΅Π· ΡΠΎΠΏΡΠΎΡΠΈΠ²Π»Π΅Π½ΠΈΠ΅(43 ΠΊΠΎΠ½ΡΠ°ΠΊΡ β ΡΡΠΎ ΡΠ°Π·ΡΠ΅ΡΠ΅Π½ΠΈΠ΅ Π½Π° ΠΏΡΠΎΠ³ΡΠ°ΠΌΠΌΠΈΡΠΎΠ²Π°Π½ΠΈΠ΅ ΠΠΠ£).
ΠΊΠ°ΠΊ Π²ΡΠ΅ ΠΏΡΠΎΠ²ΠΎΠ΄Π° ΠΏΠΎΠ΄ΡΠ΅ΠΏΠΈΠ»ΠΈ, ΠΈΡΠ΅ΠΌ Π±Π»ΠΎΠΊ ΠΏΠΈΡΠ°Π½ΠΈΡ ΠΈΠ»ΠΈ Π»ΡΡΡΠ΅ ΠΠΠ. Ρ Π²ΡΠ±ΡΠ°Π» ΠΏΠ΅ΡΠ²ΡΠΉ Π²Π°ΡΠΈΠ°Π½Ρ ΠΈ ΠΊΠ°ΠΊ ΠΎΠΊΠ°Π·Π°Π»ΠΎΡΡ Π·ΡΡ.
ΡΠΏΠ΅ΡΠ²Π° ΠΏΠΎΠΏΡΠΎΠ±ΠΎΠ²Π°Π» Π·Π°ΡΡΠ΄Π½ΠΈΠΊ ΠΊΠ°ΠΊΠΎΠΉ ΡΠΎ 12ΡΠΈ Π²ΠΎΠ»ΡΡΠΎΠ²ΡΠΉ, Π½ΠΎ Π΅Π³ΠΎ Π½Π΅ Ρ
Π²Π°ΡΠΈΠ»ΠΎ. Π΄Π°Π»ΡΡΠ΅ Π΄ΠΎΡΡΠ°Π» Π±Π»ΠΎΠΊ ΠΏΠΈΡΠ°Π½ΠΈΡ Ρ Π½Π°ΠΏΡΡΠΆΠ΅Π½ΠΈΠ΅ΠΌ Π½Π° Π²ΡΡ
ΠΎΠ΄Π΅ 14.5-15Π. Ρ ΡΠ΅ΡΠΈΠ» ΡΡΠΎ ΡΡΠΎΠ³ΠΎ Π΄Π»Ρ ΠΠΠ£ Π±ΡΠ΄Π΅Ρ ΠΌΠ½ΠΎΠ³ΠΎΠ²Π°ΡΠΎ ΠΈ ΠΏΠΎΠ²Π΅ΡΠΈΠ» ΠΠ ΠΠΠΊΡ Π½Π° 12Π Π΄Π»Ρ ΡΡΠ°Π±ΠΈΠ»ΠΈΠ·Π°ΡΠΈΠΈ.
ΠΎΡΠΊΡΡΠ» ΠΏΡΠΎΠ³Ρ CombiLoader ΠΈ ΡΠ΅ΡΠΈΠ» ΡΠ»ΠΈΡΡ ΡΠΎΠ΄Π½ΡΡ ΠΏΡΠΎΡΡ Π½Π° Π²ΡΡΠΊΠΈΠΉ ΡΠ»ΡΡΠ°ΠΉ.
ΠΊΡΡΠ°ΡΠΈ, ΡΠ°Π±ΠΎΡΠ°ΡΡ Ρ ΠΏΡΠΎΠ³ΠΎΠΉ ΠΎΡΠ΅Π½Ρ ΠΏΡΠΎΡΡΠΎ β ΠΎΡΠΊΡΡΠ», ΡΠ΅Π»ΠΊΠ½ΡΠ» «Π·Π°ΠΆΠΈΠ³Π°Π½ΠΈΠ΅», Π½Π°ΠΆΠ°Π» Π§ΡΠ΅Π½ΠΈΠ΅, ΠΏΡΠΎΡΠ° ΡΡΠΈΡΠ°Π»Π°ΡΡ, ΡΠ°ΠΉΠ»->ΡΠΎΡ
ΡΠ°Π½ΠΈΡΡ ΡΠΎΡ
ΡΠ°Π½ΠΈΠ» ΡΠΎΠ΄Π½ΡΡ ΠΏΡΠΎΡΠΈΠ²ΠΊΡ. Ρ Π·Π°ΠΏΠΈΡΡΡ ΡΠ°ΠΊ ΠΆΠ΅, ΠΎΡΠΊΡΡΠ»-Π·Π°ΠΆΠΈΠ³Π°Π½ΠΈΠ΅-ΡΠ°ΠΉΠ»-ΠΎΡΠΊΡΡΡΡ Π²ΡΠ±ΡΠ°Π» ΠΏΡΠΎΡΡ-Π·Π°ΠΏΠΈΡΡ. Π²ΡΠ΅!
Π²ΠΎΠΎΠ±ΡΠ΅ΠΌ Π²ΠΎΡΠΊΠ½ΡΠ» ΠΠΠ£ Π½Π° ΠΌΠ΅ΡΡΠΎ, Π·Π°Π²ΠΎΠΆΡ β Π²ΡΠ΅ Π½ΠΎΡΠΌΠ°Π»ΡΠ½ΠΎ. ΠΊΠΎΡΠΎΡΠ΅ ΠΎΡΠ»Π΅Π³Π»ΠΎ ΡΡΡΠΎΠΊ. ΠΏΡΠΎΠ³ΡΠ΅Π», Π²ΡΠ΅ Π½ΠΎΡΠΌΠ°Π»ΡΠ½ΠΎ. ΠΏΠΎΠ΅Ρ Π°Π» ΠΏΡΠΎΠΊΠ°ΡΠΈΠ»ΡΡ.
1. ΠΏΡΠΎΠΏΠ°Π»ΠΈ Π·Π°ΡΡΠΏΡ ΠΏΡΠΈ Π½Π°ΠΆΠ°ΡΠΈΠΈ Π½Π° ΠΏΠ΅Π΄Π°Π»Ρ Π°ΠΊΡΠ΅Π»Π΅ΡΠ°ΡΠΎΡΠ°. ΠΎΡΠΊΠ»ΠΈΠΊ ΠΌΠ³Π½ΠΎΠ²Π΅Π½Π½ΡΠΉ ΠΈ ΡΠ΅ΡΠΊΠΈΠΉ.
2. Π·Π²ΡΠΊ Π΄Π²ΠΈΠ³Π°ΡΠ΅Π»Ρ Π²ΡΠΎΠ΄Π΅ ΠΏΠΎΠΌΠ΅Π½ΡΠ»ΡΡ, ΠΊΠ°ΠΊ ΡΠΎ ΠΏΠΎΠ°Π³ΡΠ΅ΡΡΠΈΠ²Π½Π΅ΠΉ ΡΡΠΎΠ»Ρ ΡΡΠ°Π». ΠΏΡΠΈΡΡΠ½ΠΎ Π²ΠΎΠΎΠ±ΡΠ΅ΠΌ.
3. ΡΠ°Π·Π³ΠΎΠ½ ΡΡΠ°Π» ΠΏΠΎΠ»ΡΡΡΠ΅. ΡΡΠ²ΡΡΠ²ΡΠ΅ΡΡΡ ΡΡΠΎ Π΄Π²ΠΈΠ³ Π»Π΅Π³ΡΠ΅ ΠΊΡΡΡΠΈΡΡΡ.
4.Ρ
ΠΎΠ»ΠΎΡΡΠΎΠΉ Ρ
ΠΎΠ΄ ΠΏΠΎΡΠΎΠ²Π½Π΅ΠΉ ΡΡΠ°Π». ΡΠΊΠΎΠ»ΡΠΊΠΎ ΠΎΠ±ΠΎΡΠΎΡΠΎΠ² ΡΠΎΡΠ½ΠΎ Π½Π΅ ΡΠΌΠΎΡΡΠ΅Π», Π½ΠΎ Π²ΡΠΎΠ΄Π΅ ΠΊΠ°ΠΊ Π½Π° ΡΡΠΎΠΊΠ΅.
5. ΠΏΠΎΡΠ»Π΅ 4 ΡΡΡ ΠΊΠ°ΠΊ Π½Π΅ Π΅Ρ
Π°Π»Π°, ΡΠ°ΠΊ ΠΈ Π½Π΅ Π΅Π΄Π΅Ρ, Π½ΠΎ ΡΡΠΎ ΠΏΡΠΎΠ±Π»Π΅ΠΌΠ° Π½Π΅ Π² ΠΏΡΠΎΡΠΈΠ²ΠΊΠ΅.
6. Π² Π³ΠΎΡΠΊΡ Π»ΡΡΡΠ΅ ΡΡΠ½ΡΡΡ ΡΡΠ°Π»Π°
7. Ρ Π½ΠΈΠ·ΠΎΠ² ΠΏΠΎΠ΄Ρ
Π²Π°ΡΡΠ²Π°Π΅Ρ Π²ΡΠΎΠ΄Π΅ ΠΊΠ°ΠΊ ΠΏΠΎΠ»ΡΡΡΠ΅. 5Ρ Π²ΠΊΠ»ΡΡΠΈΠ» ΠΈ ΡΠΏΠΎΠΊΠΎΠΉΠ½ΠΎ Ρ 70ΠΊΠΌΡ Π½Π°ΡΠ°Π» ΡΠ°Π·Π³ΠΎΠ½ΡΡΡΡΡ
8. ΠΏΠΎΠΏΡΠΎΠ±ΠΎΠ²Π°Π» Π΄ΠΎ ΠΌΠ°ΠΊΡΠΈΠΌΡΠΌΠ° Π²ΡΠΊΡΡΡΠΈΡΡ, Π΄ΠΎΠ³Π½Π°Π» Π΄ΠΎ 140ΠΊΠΌΡ, Π΄Π°Π»ΡΡΠ΅ ΡΠΎ ΡΠΎ ΡΡΡΠ°ΡΠ½ΠΎΠ²Π°ΡΠΎ ΡΡΠ°Π»ΠΎ. Π΄Π° ΠΈ Π΄ΠΎΡΠΎΠ³Π° ΠΊΠΎΠ½ΡΠ°ΡΡΡΡ ΡΡΠ°Π»Π°. ΡΡΠ»ΠΈΡΡΡ ΠΌΠ°ΡΠΈΠ½Π° Π½Π° ΡΠ°ΠΊΠΎΠΉ ΡΠΊΠΎΡΠΎΡΡΠΈ ΠΎΡΠ΅Π½Ρ Ρ
ΡΠ΅Π½ΠΎΠ²ΠΎ(Π½Π°Π΄ΠΎ ΠΏΠΎΠΏΡΠΎΡΠΈΡΡ, ΠΌΠΎΠΆΠ΅Ρ Π² ΡΠ»Π΅Π΄ΡΡΡΠ΅ΠΉ ΠΏΡΠΎΡΠΈΠ²ΠΊΠ΅ ΠΏΠΎΡΠΈΠΊΡΡΡ π )
Π½Ρ Π²ΡΠΎΠ΄Π΅ Π²ΡΠ΅. Π·Π°Π²ΡΡΠ° Π΅ΡΠ΅ Π±ΡΠ΄Ρ ΠΊΠ°ΡΠ°ΡΡΡΡ, Π΅ΡΠ»ΠΈ ΡΡΠΎ Π½ΠΎΠ²ΠΎΠ΅ Π·Π°ΠΌΠ΅ΡΡ, ΠΎΡΠΏΠΈΡΡΡΡ.
Π½Π° ΡΡΠΎΠΌ Π²ΡΠ΅. Π±ΡΠ΄Ρ ΡΠ°Π΄ Π΅ΡΠ»ΠΈ ΠΌΠΎΡ ΡΡΠ°ΡΡΡΡ ΠΊΠΎΠΌΡ ΡΠΎ ΠΏΠΎΠΌΠΎΠΆΠ΅Ρ. Π΅ΡΠ»ΠΈ ΠΈΠΌΠ΅ΡΡΡΡ Π²ΠΎΠΏΡΠΎΡΡ, ΠΏΠΈΡΠΈΡΠ΅, ΠΎΡΠ²Π΅ΡΡ.
Π²ΡΠ΅ΠΌ Π΄ΠΎ Π²ΡΡΡΠ΅ΡΠΈ. Π΄ΠΈΠ½Π°ΠΌΠΈΡΠ½ΡΡ ΠΏΡΠΎΡΠΈΠ²ΠΎΠΊ ΠΈ Π΄ΡΠ°ΠΉΠ²Π°! ΠΏΠΎΠΊΠ°
ΠΏΡΠΎΡΠΈΠ²ΠΊΠ° ΡΠ±Ρ Π74ΠΊ (ΠΊΠ»Π°ΡΡΠΈΠΊΠ°)
ΠΠΎΠ²Π΅Π΄Π°Ρ ΠΈΡΡΠΎΡΠΈΡ, ΠΊΠ°ΠΊ ΡΠ°ΠΌΠΎΡΡΠΎΡΡΠ΅Π»ΡΠ½ΠΎ ΠΏΡΠΎΡΠΈΠ» ΡΠ²ΠΎΠΉ ΠΊΠ»Π°ΡΡΠΈΡΠ΅ΡΠΊΠΈΠΉ Π±Π»ΠΎΠΊ Π74ΠΊ. ΠΠ΅ ΠΈΠΌΠ΅Ρ ΡΠ°Π½Π½Π΅Π³ΠΎ ΠΎΠΏΡΡΠ° Π² ΡΡΠΎΠΌ Π΄Π΅Π»Π΅ ΠΈ ΠΎΡΡΡΡΡΡΠ²ΠΈΠ΅ ΠΊΠ°ΠΊΠΎΠ³ΠΎ Π»ΠΈΠ±ΠΎ ΠΌΠ°Π½ΡΠ°Π»Π° Π² ΠΈΠ½Π΅ΡΠ΅ ΠΏΠΎ Π΅Π³ΠΎ ΠΏΠ΅ΡΠ΅ΠΏΡΠΎΡΠΈΠ²ΠΊΠ΅. ΠΡΠ»ΠΎ ΡΠ»ΠΎΠΆΠ½ΠΎ, ΠΈΠ½ΡΠΎΡΠΌΠ°ΡΠΈΡ ΡΠΎΠ±ΠΈΡΠ°Π»Π°ΡΡ ΠΏΠΎ ΠΊΡΡΠΏΠΈΠ½ΠΊΠ°ΠΌ, Π½ΠΎ Π² ΠΈΡΠΎΠ³Π΅ ΠΏΠΎΠ»ΡΡΠΈΠ»ΠΎΡΡ, ΠΈ Π²ΡΠ΅ ΠΎΠΊΠ°Π·Π°Π»ΠΎΡΡ Π½Π΅ ΡΠ°ΠΊ ΡΠ»ΠΎΠΆΠ½ΠΎ. ΠΠ³ΡΠΎΠΌΠ½Π°Ρ Π±Π»Π°Π³ΠΎΠ΄Π°ΡΠ½ΠΎΡΡΡ Π ΠΎΠΌΠ°Π½Ρ ΠΠΏΠ°Π»Π΅Π²Ρ Π·Π° Π½Π΅ΠΎΡΠ΅Π½ΠΈΠΌΡΡ ΠΏΠΎΠΌΠΎΡΡ ΠΈ ΠΏΠΎΠ΄Π΄Π΅ΡΠΆΠΊΡ Π΄Π»Ρ Π΄ΠΎΡΡΠΈΠΆΠ΅Π½ΠΈΡ ΡΠ΅Π»ΠΈ.
1. ΠΠ°ΡΠ°Π»ΠΎ. ΠΡΠ½ΠΈΠΌΠ°Π΅ΠΌ ΠΠΠ£ ΠΈΠ· ΠΌΠ°ΡΠΈΠ½Ρ, Π²ΡΠ³Π»ΡΠ΄ΠΈΡ ΠΎΠ½ Π²ΠΎΡ ΡΠ°ΠΊ.
ΠΠ»Ρ ΠΏΡΠΎΡΠΈΠ²ΠΊΠΈ ΠΠΠ£ ΠΏΠΎΠ½Π°Π΄ΠΎΠ±ΠΈΡΡΡΡ: OpenDiagFree, ST10Flasher, ΡΠ°ΠΌΠ° ΠΏΡΠΎΡΠΈΠ²ΠΊΠ° (ΠΏΡΠΎΡΠΈΠ²ΠΊΡ ΠΌΠΎΠΆΠ½ΠΎ ΠΊΡΠΏΠΈΡΡ ΠΈΠ»ΠΈ Π½Π°ΠΉΡΠΈ Π»ΡΠ±ΡΠΌ ΡΠ΄ΠΎΠ±Π½ΡΠΌ ΠΏΡΡΠ΅ΠΌ Π½Π° ΠΏΡΠΎΡΡΠΎΡΠ°Ρ ΠΈΠ½Π΅ΡΠ°, Ρ Π±ΡΠ°Π» ΠΎΡ ΠΠ΅Π΄ΠΎΠΊΠΎΠ»Π°, ΠΏΠΎ Π΅Π³ΠΎ ΠΏΠΎΠ»ΠΎΠΆΠΈΡΠ΅Π»ΡΠ½ΡΠΌ ΠΎΡΠ·ΡΠ²Π°ΠΌ ), Π-Π»Π°ΠΉΠ½ Π°Π΄Π°ΠΏΡΠ΅Ρ ( Ρ Π±ΡΠ°Π» ΡΠ΅Π±Π΅ RDLab Π΅Π³ΠΎ ΠΏΡΠ΅Π»Π΅ΡΡΡ Π² ΡΠΎΠΌ ΡΡΠΎ ΠΎΠ½ ΠΊΠΎΠΎΠΌΡΡΠΈΡΡΠ΅Ρ +14Π ΠΈ Π½Π΅ ΡΡΠ΅Π±ΡΠ΅Ρ ΠΏΠΎΠ΄ΠΊΠ»ΡΡΠ΅Π½ΠΈΡ Π΄ΠΎΠΏ. ΠΏΠΈΡΠ°Π½ΠΈΡ ΠΎΡ ΠΠΠ), ΠΏΠ΅ΡΠ΅ΠΏΠ°ΠΉΠΊΠ° ΡΠ΅Π·ΠΈΡΡΠΎΡΠ° Π½Π° 8,2 ΠΊΠΠΌ Π΄Π»Ρ ΠΏΠ΅ΡΠ΅Ρ ΠΎΠ΄Π° Π² boot ΡΠ΅ΠΆΠΈΠΌ (ΡΠ΅ΠΆΠΈΠΌ ΠΏΡΠΎΡΠΈΠ²ΠΊΠΈ).
2. ΠΠ΅ΡΠ΅ΠΏΠ°ΠΉΠΊΠ° ΡΠ΅Π·ΠΈΡΡΠΎΡΠ°. Π Π°Π·Π±ΠΈΡΠ°Π΅ΠΌ ΡΠ±Ρ ΠΈ Π²ΠΈΠ΄ΠΈΠΌ Π²ΠΎΡ ΡΠ°ΠΊΡΡ ΡΡ Π΅ΠΌΡ, ΠΊΡΠ°ΡΠ½ΠΎΠΉ ΠΏΠ°Π»ΠΎΡΠΊΠΎΠΉ Π½Π° ΡΠΎΡΠΎ ΠΎΡΠΌΠ΅ΡΠ΅Π½ΠΎ ΠΊΠ°ΠΊ Π½ΡΠΆΠ½ΠΎ ΠΏΠ΅ΡΠ΅ΡΡΠ°Π²ΠΈΡΡ ΡΠ΅Π·ΠΈΡΡΠΎΡ (ΠΏΠΎΠ»ΡΠ·ΠΎΠ²Π°Π»ΡΡ Π²ΠΎΡ ΡΡΠΈΠΌ ΡΡΠΊΠΎΠ²ΠΎΠ΄ΡΡΠ²ΠΎΠΌ).
3. ΠΠΎΠ΄ΠΊΠ»ΡΡΠ΅Π½ΠΈΠ΅ Π-Π»Π°ΠΉΠ½ Π°Π΄Π°ΠΏΡΠ΅ΡΠ° ΠΊ ΡΠ±Ρ.
ΠΠΎΠ΄ΠΊΠ»ΡΡΠ΅Π½ΠΈΠ΅ ΠΏΡΠΎΠ²ΠΎΠ΄ΠΎΠ² ΠΎΡ Π-Π»Π°ΠΉΠ½ Π°Π΄Π°ΠΏΡΠ΅ΡΠ° ΠΊ ΠΏΠΈΠ½Π°ΠΌ Π»Π΅Π²ΠΎΠΉ ΠΊΠΎΠ»ΠΎΠ΄ΠΊΠΈ ΠΠΠ£ Π΄Π΅Π»Π°Π΅ΡΡΡ ΠΏΠΎ ΡΡΠΎΠΉ ΡΡ Π΅ΠΌΠ΅ ( Π΄Π΅ΡΠ°Π»ΡΠ½ΠΎΠ΅ ΠΎΠΏΠΈΡΠ°Π½ΠΈΠ΅ )
4. ΠΡΠΎΡΠΈΠ²ΠΊΠ°. ΠΠΎΠ΄ΠΊΠ»ΡΡΠΈΠ² ΡΠ±Ρ ΠΊ ΠΏΠΊ ΡΠ΅ΡΠ΅Π· Π-Π»Π°ΠΉΠ½ Π°Π΄Π°ΠΏΡΠ΅Ρ, Π·Π°ΠΏΡΡΠΊΠ°Π΅ΠΌ ΠΏΡΠΎΠ³ΡΠ°ΠΌΠΌΡ ST10Flasher (COM ΠΏΠΎΡΡ ΠΏΡΠΎΠ³ΡΠ°ΠΌΠΌΠ° Π²ΡΠ±ΠΈΡΠ°Π΅Ρ Π°Π²ΡΠΎΠΌΠ°ΡΠΈΡΠ΅ΡΠΊΠΈ), ΠΆΠ΄Π΅ΠΌ 10 ΡΠ΅ΠΊ ΠΈ ΠΏΠΎΠ΄ΠΊΠ»ΡΡΠ°Π΅ΠΌ ΠΏΡΠΎΠ²ΠΎΠ΄ B2 β ΠΎΡΠΊΠ»ΡΡΠ°Π΅ΠΌΠΎΠ΅ Π½Π°ΠΏΡΡΠΆΠ΅Π½ΠΈΠ΅ ( Π΄Π»Ρ ΡΠ΄ΠΎΠ±ΡΡΠ²Π° ΠΌΠΎΠΆΠ½ΠΎ ΠΏΠΎΡΡΠ°Π²ΠΈΡΡ ΡΡΠΌΠ±Π»Π΅Ρ Π½Π° ΠΏΡΠΎΠ²ΠΎΠ΄, Ρ ΠΏΠΎΠ»ΡΠ·ΠΎΠ²Π°Π»ΡΡ Π±Π΅Π· ΡΡΠΌΠ±Π»Π΅ΡΠ°, ΠΏΡΠΎΡΡΠΎ Π½Π°Π±ΡΠ°ΡΡΠ²Π°Ρ ΠΏΡΠΎΠ²ΠΎΠ΄ Π½Π° ΠΏΠΈΠ½ Π2 ). Π’Π΅ΠΏΠ΅ΡΡ ΠΆΠΌΠ΅ΠΌ Π²ΠΊΠ»Π°Π΄ΠΊΡ ΡΡΡΠ°Π½ΠΎΠ²ΠΈΡΡ ΡΠ²ΡΠ·Ρ, Π²Π½ΠΈΠ·Ρ ΠΏΡΠΎΠ³ΡΠ°ΠΌΠΌΡ Π΄ΠΎΠ»ΠΆΠ½ΠΎ ΠΎΡΠΎΠ±ΡΠ°Π·ΠΈΡΡΡΡ «ΡΠ²ΡΠ·Ρ Ρ ΠΠΠ£ ΡΡΡΠ°Π½ΠΎΠ²Π»Π΅Π½Π°». ΠΠ°Π»Π΅Π΅ Π²ΡΠ±ΠΈΡΠ°Π΅ΠΌ ΠΌΠΎΠ΄Π΅Π»Ρ ΡΠ±Ρ Π 73, ΡΡΠΊΠ°Π΅ΠΌ ΠΌΡΡΠΊΠΎΠΉ Π½Π° Π½Π΅Π΅. Π’Π΅ΠΏΠ΅ΡΡ ΡΡΠΈΡΡΠ²Π°Π΅ΠΌ FLASH ΠΈ EEPROM ΠΈ ΡΠΎΡ ΡΠ°Π½ΡΠ΅ΠΌ Π² ΡΠ΄ΠΎΠ±Π½ΠΎΠ΅ Π΄Π»Ρ Π²Π°Ρ ΠΌΠ΅ΡΡΠΎ. ΠΠΎΡΠ»Π΅ Π²ΡΠ±ΠΈΡΠ°Π΅ΠΌ ΠΏΡΠΎΡΠΈΠ²ΠΊΡ Π²ΠΊΠ»Π°Π΄ΠΊΠΎΠΉ «Π·Π°Π³ΡΡΠ·ΠΈΡΡ FLASH» ΠΈ ΠΆΠ΄Π΅ΠΌ ΠΏΠΎΠΊΠ° ΠΏΡΠΎΠ³ΡΠ°ΠΌΠΌΠ° Π·Π°Π»ΡΠ΅Ρ ΠΏΡΠΎΡΠΈΠ²ΠΊΡ. ΠΠ°Π»Π΅Π΅ ΠΆΠΌΠ΅ΠΌ Π²ΠΊΠ»Π°Π΄ΠΊΡ ΠΎΡΠΈΡΡΠΈΡΡ EEPROM, ΡΠ΅ΠΌ ΡΠ°ΠΌΡΠΌ ΡΡΠΈΡΠ°Ρ ΡΡΠ°ΡΡΠ΅ Π΄Π°Π½Π½ΡΠ΅ ΡΠ°ΠΌΠΎΠΎΠ±ΡΡΠ΅Π½ΠΈΡ.
ΠΠΎΡΠ»Π΅ ΠΏΡΠΎΡΠΈΠ²ΠΊΠΈ ΠΎΡΠΊΠ»ΡΡΠ°Π΅ΠΌ Π-Π»Π°ΠΉΠ½ Π°Π΄Π°ΠΏΡΠ΅Ρ. Π’Π΅ΠΏΠ΅ΡΡ ΠΎΠ±ΡΠ·Π°ΡΠ΅Π»ΡΠ½ΠΎ ΠΎΡΠΏΠ°ΠΈΠ²Π°Π΅ΠΌ Π½Π°Ρ ΡΠ΅Π·ΠΈΡΡΠΎΡ Π½Π° 8,2 ΠΊΠΠΌ ΠΈ Π²ΠΏΠ°ΠΈΠ²Π°Π΅ΠΌ SMD ΡΠ΅Π·ΠΈΡΡΠΎΡ Π½Π° ΠΌΠ΅ΡΡΠΎ.
5. Π£ΡΡΠ°Π½ΠΎΠ²ΠΊΠ° ΠΠΠ£ Π½Π° ΠΌΠ΅ΡΡΠΎ. ΠΠ΅ΡΠ΅ΠΌ ΠΠΠ£ ΠΈ ΡΡΡΠ°Π½Π°Π²Π»ΠΈΠ²Π°Π΅ΠΌ Π΅Π³ΠΎ ΠΎΠ±ΡΠ°ΡΠ½ΠΎ Π² ΠΌΠ°ΡΠΈΠ½Ρ ΠΏΠΎΠ΄ΠΊΠ»ΡΡΠΈΠ² ΠΊΠΎΡΡ Ρ ΠΊΠΎΠ»ΠΎΠ΄ΠΊΠΎΠΉ. ΠΠ°Π»Π΅Π΅ ΠΏΠΎΠ½Π°Π΄ΠΎΠ±ΠΈΡΡΡΡ Π½ΠΎΡΡΠ±ΡΠΊ (Π΅ΡΠ»ΠΈ Π²Ρ ΠΎΡΠΈΡΡΠΈΠ»ΠΈ EEPROM, ΡΠΎ ΡΠ±ΡΠΎΡ ΠΠΠ£ Ρ ΠΈΠ½ΠΈΡΠΈΠ°Π»ΠΈΠ·Π°ΡΠΈΠ΅ΠΉ ΠΌΠΎΠΆΠ½ΠΎ Π½Π΅ Π΄Π΅Π»Π°ΡΡ).Π’Π΅ΠΏΠ΅ΡΡ Π²ΠΊΠ»ΡΡΠ°Π΅ΠΌ Π·Π°ΠΆΠΈΠ³Π°Π½ΠΈΠ΅ ΠΆΠ΄Π΅ΠΌ ΠΎΡΡΠ°Π±ΠΎΡΠΊΠΈ Π±Π΅Π½Π·ΠΎΠ½Π°ΡΠΎΡΠ°, Π²ΡΠΊΠ»ΡΡΠ°Π΅ΠΌ Π·Π°ΠΆΠΈΠ³Π°Π½ΠΈΠ΅. ΠΠΎΠ΄ΠΊΠ»ΡΡΠ°Π΅ΠΌ Π-Π»Π°ΠΉΠ½ Π°Π΄Π°ΠΏΡΠ΅Ρ ΠΊ Π΄ΠΈΠ°Π³Π½ΠΎΡΡΠΈΡΠ΅ΡΠΊΠΎΠΉ ΠΊΠΎΠ»ΠΎΠ΄ΠΊΠ΅.
Π·Π°ΠΏΡΡΠΊΠ°Π΅ΠΌ ΠΏΡΠΎΠ³ΡΠ°ΠΌΠΌΡ OpenDiagFree, Π² ΠΏΡΠΎΠ³ΡΠ°ΠΌΠΌΠ΅ Π²ΡΠ±ΠΈΡΠ°Π΅ΠΌ ΡΠ²ΠΎΠΉ Π±Π»ΠΎΠΊ ΠΌ74ΠΊ, Π²ΠΊΠ»ΡΡΠ°Π΅ΠΌ Π·Π°ΠΆΠΈΠ³Π°Π½ΠΈΠ΅ ΠΈ ΠΏΠΎΡΠ»Π΅ ΡΡΡΠ°Π½ΠΎΠ²ΠΊΠΈ ΡΠ²ΡΠ·ΠΈ ΠΏΡΠΎΠ³ΡΠ°ΠΌΠΌΡ Ρ ΠΠΠ£ Π΄Π΅Π»Π°Π΅ΠΌ «Π‘Π±ΡΠΎΡ ΠΠΠ£ Ρ ΠΈΠ½ΠΈΡΠΈΠ°Π»ΠΈΠ·Π°ΡΠΈΠ΅ΠΉ».
ΠΡΠΎΡΠΈΠ²Π°Π΅ΠΌ ΠΊΠ»Π°ΡΡΠΈΠΊΡ ΡΠΏΠΎΡΡΠΈΠ²Π½ΠΎΠΉ ΠΏΡΠΎΡΠΈΠ²ΠΊΠΎΠΉ j7es
ΠΠ΅Π΄Π°Π²Π½ΠΎ ΠΌΠ΅Π½Ρ ΠΏΠΎΠΏΡΠΎΡΠΈΠ»ΠΈ ΠΏΠΎΠΌΠΎΡΡ Π½Π°ΡΡΡΠΎΠΈΡΡ Π΄Π²Π΅ ΡΠ°ΡΠΊΠΈ: 2106 ΠΈΠ· Π₯Π°Π±Π°ΡΠΎΠ²ΡΠΊΠ° Samoran ΠΈ 2107 ΠΈΠ· ΠΌΠΎΠ΅Π³ΠΎ ΡΠΎΠ΄Π½ΠΎΠ³ΠΎ Π³ΠΎΡΠΎΠ΄Π° ΠΠΆΠ΅Π²ΡΠΊΠ°. Π₯ΠΎΡΡ ΠΏΠΎΠ΄Π΅Π»ΠΈΡΡΡΡ Ρ Π²Π°ΠΌΠΈ ΠΌΠΎΠΈΠΌ ΡΠΊΡΠΎΠΌΠ½ΡΠΌ ΠΎΠΏΡΡΠΎΠΌ, ΡΡΠΎΠ±Ρ Π²Ρ ΡΠΎΠΆΠ΅ ΡΠΌΠΎΠ³Π»ΠΈ ΡΠ°ΠΌΠΎΡΡΠΎΡΡΠ΅Π»ΡΠ½ΠΎ Π½Π°ΡΡΡΠΎΠΈΡΡ ΡΠ°ΠΊΠΈΠ΅ ΠΌΠΎΡΠΎΡΡ. ΠΠΈΡΠ΅Π³ΠΎ ΡΠ»ΠΎΠΆΠ½ΠΎΠ³ΠΎ Π² ΡΡΠΎΠΌ Π½Π΅Ρ!
2) 2107 Π½Π°ΡΡΡΠ°ΠΈΠ²Π°Π» Π²ΠΆΠΈΠ²ΡΡ, Π·Π°Π²Π΅Π» ΡΠΆΠ΅ Ρ ΠΏΠ΅ΡΠ²ΠΎΠ³ΠΎ ΡΠ°Π·Π°. ΠΠ°ΡΡΡΠΎΠΈΠ» Ρ ΠΎΠ»ΠΎΡΡΠΎΠΉ Ρ ΠΎΠ΄, ΡΠ΅ΠΆΠΈΠΌ Π·Π°ΠΏΡΡΠΊΠ°, ΠΎΡΠΊΠ°ΡΠ°Π» ΠΠ¦Π, ΠΠ¦Π, ΠΏΠΎΠ΄ΠΎΠ±ΡΠ°Π»ΠΈ Π²ΠΌΠ΅Π½ΡΠ΅ΠΌΡΠ΅ ΡΠ³Π»Ρ Π·Π°ΠΆΠΈΠ³Π°Π½ΠΈΡ, Π½Π° ΠΊΠΎΡΠΎΡΡΡ Π½Π΅ Π±ΡΠ»ΠΎ Π΄Π΅ΡΠΎΠ½Π°ΡΠΈΠΈ ΠΈ ΠΌΠ°ΡΠΈΠ½Π° «ΠΏΠΎΠ»Π΅ΡΠ΅Π»Π°», ΡΠ°Π·Ρ Π²ΠΏΡΡΡΠΊΠ° Π½Π°ΡΡΡΠ°ΠΈΠ²Π°ΡΡ Π½Π΅ ΠΏΡΠΈΡΠ»ΠΎΡΡ, ΡΠ°ΠΊ ΠΊΠ°ΠΊ ΠΎΡΡΡΡΡΡΠ²ΡΠ΅Ρ Π΄Π°ΡΡΠΈΠΊ ΡΠ°Π·. ΠΡΠ΅ Π½Π°ΡΡΡΠΎΠΈΠ»ΠΈ Π»Π°ΡΠ½Ρ-ΠΊΠΎΠ½ΡΡΠΎΠ»Ρ Π½Π° ΡΡΠ°ΡΡΠ΅ Ρ 3500 ΠΎΠ±/ΠΌΠΈΠ½. ΠΠΎΠ½ΡΠΈΠ³ Π±ΠΎΠ»Π΅Π΅ Π³ΡΠΎΠ·Π½ΠΎΠΉ 2107 (Π²ΠΎ Π²ΡΠ΅ΠΌΡ Π½Π°ΡΡΡΠΎΠΉΠΊΠΈ Π΅Ρ Π°Π»ΠΈ ΠΏΠΎΠ΄ 170ΠΊΠΌ/Ρ) ΡΠ»Π΅Π΄ΡΡΡΠΈΠΉ: Π³Π±Ρ ΡΠ°ΡΡΠΎΡΠ΅Π½Π°, ΡΠ°ΡΠΏΡΠ΅Π΄Π²Π°Π» ΠΡΠΆΠ΄ΠΈΠ½ 11.2, ΠΎΡΡΠ°Π»ΡΠ½ΠΎΠ΅ ΡΡΠΎΠΊ. ΠΠΠ Π ΡΠΈΠΌΠ΅Π½Ρ, ΠΌΠΎΠ·Π³ΠΈ ΡΠ½Π²Π°ΡΡ 7.2. ΠΠ°ΡΡΡΠΎΠΉΠΊΠ° Π²Π΅Π»Π°ΡΡ ΡΠ°ΠΊΠΆΠ΅ Π½Π° ΡΠΏΠΎΡΡΠΈΠ²Π½ΠΎΠΉ ΠΏΡΠΎΡΠΈΠ²ΠΊΠ΅ j7es 17.7.12.
Π‘ΠΌΠ΅Ρ Π° ΠΈ ΡΠ΄ΠΈΠ²Π»Π΅Π½ΠΈΡ Π±ΡΠ»ΠΎ ΠΌΠ½ΠΎΠ³ΠΎ. Π₯ΠΎΠ·ΡΠΈΠ½ Π³ΠΎΠ²ΠΎΡΠΈΡ, ΡΡ ΡΡΠΎ ΡΠ΄Π΅Π»Π°Π» Ρ ΠΌΠ°ΡΠΈΠ½ΠΎΠΉ? Π’Ρ ΠΌΠ½Π΅ ΡΠ΄Π΅Π»Π°Π» ΡΠΎΠ²ΡΠ΅ΠΌ Π΄ΡΡΠ³ΡΡ ΠΌΠ°ΡΠΈΠ½Ρ! ΠΠ°ΡΠΈΠ½Π° ΠΏΠΎΠ΅Ρ Π°Π»Π° Π±ΡΡΡΡΠ΅Π΅ ΡΡΠΎΠΊΠΎΠ²ΠΎΠΉ ΠΏΡΠΈΠΎΡΡ (Π½Ρ ΠΏΠΎ ΠΌΠΎΠΈΠΌ Π»ΠΈΡΠ½ΡΠΌ ΠΎΡΡΡΠ΅Π½ΠΈΡΠΌ), ΡΡΠ°Π»Π° ΠΏΡΠΎΡΡΠΎ Π³ΡΡΡΡΡ Π°ΡΠ²Π°Π»ΡΡ. ΠΠ΅ΡΠ²Π°Ρ Π² Π±ΡΠΊΡ, ΠΏΠ΅ΡΠ΅ΠΊΠ»ΡΡΠ΅Π½ΠΈΠ΅ Π½Π° Π²ΡΠΎΡΡΡ β Π±ΡΠΊΡ, ΠΏΠ΅ΡΠ΅ΠΊΠ»ΡΡΠ΅Π½ΠΈΠ΅ Π½Π° 3Ρ ΡΠΎΠΆΠ΅ Π±ΡΠΊΡ. Π ΡΡΠΎ Π΅ΡΠ΅ Π·Π°Π΄Π½Π΅ΠΏΡΠΈΠ²ΠΎΠ΄Π½Π°Ρ ΠΌΠ°ΡΠΈΠ½Π°! ΠΠ΄ΡΠΌ Π»Π΅ΡΠ° ΠΎΠ΄Π½ΠΈΠΌ ΡΠ»ΠΎΠ²ΠΎΠΌ, ΡΡΠΎΠ±Ρ Π·Π°ΠΌΠ΅ΡΠΈΡΡ ΡΡΠΊΠΎΡΠ΅Π½ΠΈΠ΅, Π° ΠΏΠΎΠΊΠ° Ρ ΠΎΠ·ΡΠΈΠ½ Π²Π°Π»ΠΈΡ Π±ΠΎΡΠΊΠΎΠΌ Π½Π° ΠΏΡΠΈ ΠΊΠ°ΠΆΠ΄ΠΎΠΌ ΡΠ΄ΠΎΠ±Π½ΠΎΠΌ ΡΠ»ΡΡΠ°Π΅. Π Π΅ΡΠ΅ Π½Π°Π΄ΠΎ ΠΎΡΠΊΠ°ΡΠ°ΡΡ ΠΏΡΠΎΡΠΈΠ²ΠΊΡ ΠΏΠΎΠ΄ Π½ΠΎΠ²ΡΡ Π²ΡΠΏΡΡΠΊΠ½ΡΡ ΡΠΈΡΡΠ΅ΠΌΡ, ΡΠ°ΠΊ ΠΊΠ°ΠΊ Π² ΠΏΠ»Π°Π½Π°Ρ Ρ Ρ ΠΎΠ·ΡΠΈΠ½Π° ΠΏΠΎΡΡΠ°Π²ΠΈΡΡ ΠΏΠ°ΡΠΊΠ° 4-2-1.
ΠΡΠ°ΠΊ ΠΏΠ΅ΡΠ΅Π΄ Π½Π°ΠΌΠΈ Π·Π°Π΄Π°ΡΠ°: ΠΏΠ΅ΡΠ΅Π²Π΅ΡΡΠΈ ΠΈΠ½ΠΆΠ΅ΠΊΡΠΎΡΠ½ΡΡ ΠΊΠ»Π°ΡΡΠΈΠΊΡ Π½Π° Π±Π»ΠΎΠΊΠ°Ρ ΡΠΏΡΠ°Π²Π»Π΅Π½ΠΈΡ ΡΠ½Π²Π°ΡΡ 7.2, 5.1 Π½Π° ΡΠΏΠΎΡΡΠΈΠ²Π½ΡΡ ΠΏΡΠΎΡΠΈΠ²ΠΊΡ j7es ΠΈΠ»ΠΈ j7esa.
ΠΠΎΡΠΊΠΎΠ½Π°Π»ΡΠ½ΠΎ ΠΎΡΠΊΠ°ΡΠΊΡ ΠΏΡΠΎΡΠΈΠ²ΠΊΠΈ ΡΠΆΠ΅ Π½Π΅Π΅ Π±ΡΠ΄Ρ ΡΠ°ΡΠΏΠΈΡΡΠ²Π°ΡΡ, ΠΎΠ½Π° Π½ΠΈΡΠ΅ΠΌ Π½Π΅ ΠΎΡΠ»ΠΈΡΠ°Π΅ΡΡΡ ΠΎΡ ΠΎΡΠΊΠ°ΡΠΊΠΈ Π·ΡΠ±ΠΈΠ»ΡΠ½ΠΎΠ³ΠΎ ΡΠ΅ΠΌΠ΅ΠΉΡΡΠ²Π° ΡΠ°Π·ΠΎΠ². ΠΠ»Ρ ΡΠ΅Ρ , ΠΊΡΠΎ ΠΏΠ΅ΡΠ²ΡΠΉ ΡΠ°Π· ΡΠΈΡΠ°Π΅Ρ ΠΌΠ΅Π½Ρ, ΡΠΈΡΠ°Π΅ΠΌ ΡΠ½Π°ΡΠ°Π»Π° ΠΌΠΎΠΈ ΡΡΠ°ΡΡΠΈ (www.drive2.ru/l/4539645/). Π ΡΡΠΎΠΉ Π·Π°ΠΏΠΈΡΠΈ ΠΏΠΎΠ΄ΡΠ΅ΡΠΊΠ½Ρ Π»ΠΈΡΡ ΡΠΎ, ΡΡΠΎ ΠΊΠ°ΡΠ°Π΅ΡΡΡ ΠΊΠ»Π°ΡΡΠΈΠΊΠΈ, ΡΠ°ΠΊ ΠΊΠ°ΠΊ Π°Π»Π³ΠΎΡΠΈΡΠΌ Π½Π°ΡΡΡΠΎΠΉΠΊΠΈ ΠΌΠΎΡΠΎΡΠ° Π΄Π»Ρ ΠΊΠ»Π°ΡΡΠΈΠΊΠΈ Ρ ΠΌΠ΅Π½Ρ Π°Π±ΡΠΎΠ»ΡΡΠ½ΠΎ ΡΠ°ΠΊΠΎΠΉ ΠΆΠ΅. Π’ΠΎΠ»ΡΠΊΠΎ Π² ΠΊΠ»Π°ΡΡΠΈΠΊΠ΅ Π½Π°Π΄ΠΎ Π·Π°ΠΌΠ΅Π½ΠΈΡΡ ΡΠ°ΡΠΈΡΠΎΠ²ΠΊΡ ΠΠΠ Π, Π² ΠΊΠ»Π°ΡΡΠΈΠΊΠ΅ ΠΎΡΡΡΡΡΡΠ²ΡΠ΅Ρ Π΄Π°ΡΡΠΈΠΊ Π΄Π΅ΡΠΎΠ½Π°ΡΠΈΠΈ ΠΈ Π΄Π°ΡΡΠΊΠΈΠΊ ΡΠ°Π·.
ΠΡΠΈΡΡΡΠΏΠΈΠΌ:
1) Π‘ΠΊΠ°ΡΠΈΠ²Π°Π΅ΠΌ Π·Π°Π²ΠΎΠ΄ΡΠΊΡΡ ΠΏΡΠΎΡΠΈΠ²ΠΊΡ Π΄Π»Ρ ΠΊΠ»Π°ΡΡΠΈΠΊΠΈ (I226FM10) Ρ ΡΠ°ΠΉΡΠ°: chiptuner.ru/content/ser_j72/.
2) ΠΡΠΊΡΡΠ²Π°Π΅ΠΌ Π² ΠΏΡΠΎΠ³ΡΠ°ΠΌΠΌΠ΅ ctp 3.21 ΠΏΡΠΎΡΠΈΠ²ΠΊΡ j7es/j7esa Π½ΡΠΆΠ½ΠΎΠΉ ΠΊΠ°ΡΡΠΎΠΉ.
3) Π ΠΏΡΠΎΠ³ΡΠ°ΠΌΠΌΠ΅ ctp 3.21 Π²ΡΠ±ΠΈΡΠ°Π΅ΠΌ: ΠΠΎΠΌΠ°Π½Π΄Ρ β Π‘ΡΠ°Π²Π½ΠΈΡΡ, Π²ΡΠ±ΠΈΡΠ°Π΅ΠΌ ΠΏΡΠΎΡΠΈΠ²ΠΊΡ I226FM10 ΠΈ ΠΎΡΠΊΡΡΠ²Π°Π΅ΠΌ Π΅Ρ ΠΊΠ°ΡΡΠΎΠΉ dm.
4) ΠΠ΅ΡΠ΅Π½ΠΎΡΠΈΠΌ ΠΊΠ°Π»ΠΈΠ±ΡΠΎΠ²ΠΊΠΈ Ρ Π·Π°Π²ΠΎΠ΄ΡΠΊΠΎΠΉ ΠΊΠ»Π°ΡΡΠΈΡΠ΅ΡΠΊΠΎΠΉ ΠΏΡΠΎΡΠΈΠ²ΠΊΠΈ Π² ΠΏΡΠΎΡΠΈΠ²ΠΊΡ j7es/j7esa ΠΊΠ»Π°Π²ΠΈΡΠ΅ΠΉ F4.
5) ΠΠΎΡΠΎΠ²ΠΈΠΌ ΠΏΡΠΎΡΠΈΠ²ΠΊΡ ΠΏΠΎΠ΄ ΠΎΡΠΊΠ°ΡΠΊΡ (www.drive2.ru/l/4539701/), Π΅ΡΠ»ΠΈ Π΅Π΄Π΅ΠΌ ΠΊΠ°ΡΠ°ΡΡ Π½Π° ΡΡΠ°Π½Π΄Π°ΡΡΠ½ΠΎΠΌ ΠΠ (Π΄Π°ΡΡΠΈΠΊ ΠΊΠΈΡΠ»ΠΎΡΠΎΠ΄Π°), ΠΏΡΠΎΡΠΈΠ²Π°Π΅ΠΌ Π±Π»ΠΎΠΊ.
6) ΠΡΠΊΠ°ΡΡΠ²Π°Π΅ΠΌ ΠΠ¦Π, ΠΠ¦Π.
7) ΠΠ°Π»ΠΈΠ²Π°Π΅ΠΌ ΠΎΡΠΊΠ°ΡΠ°Π½Π½ΡΠ΅ ΠΊΠ°Π»ΠΈΠ±ΡΠΎΠ²ΠΊΠΈ ΠΠ¦Π, ΠΠ¦Π Π² Π±ΠΎΠ΅Π²ΡΡ ΠΏΡΠΎΡΠΈΠ²ΠΊΡ, Π²ΡΡΡΠ°Π²Π»ΡΠ΅ΠΌ Π±ΠΎΠ΅Π²ΡΠ΅ ΡΠΎΡΡΠ°Π²Ρ ΡΠΌΠ΅ΡΠΈ ΠΈ ΡΠΆΠ΅ Π½Π° Π½ΠΈΡ
Π½Π°ΡΡΡΠ°ΠΈΠ²Π°Π΅ΠΌ Π·Π°ΠΆΠΈΠ³Π°Π½ΠΈΠ΅.
8) ΠΠΎΠΏΠΈΠ»ΠΈΠ²Π°Π΅ΠΌ ΠΏΡΠΎΡΠΈΠ²ΠΊΡ ΠΏΠΎ Π²ΠΊΡΡΡ, Π²ΡΡΡΠ°Π²Π»ΡΠ΅ΠΌ ΠΎΡΡΠ΅ΡΠΊΡ ΠΈ Π΄ΡΡΠ³ΠΈΠ΅ Π²Π΅ΡΠΈ, Π½Π°ΠΏΡΠΈΠΌΠ΅Ρ Π»Π°ΡΠ½Ρ ΠΊΠΎΠ½ΡΡΠΎΠ»Ρ, ΠΎΠ±ΠΎΡΠΎΡΡ Ρ
ΠΎΠ»ΠΎΡΡΠΎΠ³ΠΎ Ρ
ΠΎΠ΄Π°.
Π ΡΠ΅ΠΏΠ΅ΡΡ ΡΠΎΠ±ΡΡΠ²Π΅Π½Π½ΠΎ ΠΏΠΎΠ³ΠΎΠ²ΠΎΡΠΈΠΌ ΠΎ ΠΊΠ°Π»ΠΈΠ±ΡΠΎΠ²ΠΊΠ°Ρ
ΠΈ ΠΊΠ°ΠΊ ΠΈΡ
ΠΏΠ΅ΡΠ΅Π½ΠΎΡΠΈΡΡ ΠΈΠ· ΠΎΠ΄Π½ΠΎΠΉ ΠΏΡΠΎΡΠΈΠ²ΠΊΠΈ Π² Π΄ΡΡΠ³ΡΡ. ΠΠΎ-ΠΏΠ΅ΡΠ²ΡΡ
ΠΏΡΠ°Π²ΠΈΠ»ΠΎ, ΡΠΎ ΡΡΠΎ Π½Π΅ Π·Π½Π°Π΅ΠΌ, Π½Π΅ ΠΏΠ΅ΡΠ΅Π½ΠΎΡΠΈΠΌ! ΠΡ Ρ ΠΎΠ±ΡΡΠ½ΠΎ ΠΏΠ΅ΡΠ΅Π½ΠΎΡΡ ΡΠ»Π΅Π΄ΡΡΡΠΈΠ΅ ΡΠ°Π·Π΄Π΅Π»Ρ ΠΈΠ· ΡΠ΅ΡΠΈΠΉΠ½ΠΎΠΉ ΠΏΡΠΎΡΠΈΠ²ΠΊΠΈ Π² ΡΠΏΠΎΡΡΠΈΠ²Π½ΡΡ (Π·Π΅Π»ΡΠ½Π°Ρ Π³Π°Π»ΠΎΡΠΊΠ° β Π·Π½Π°ΡΠΈΡ ΠΊΠ°Π»ΠΈΠ±ΡΠΎΠ²ΠΊΠ° ΠΏΠ΅ΡΠ΅Π½Π΅ΡΠ»Π°ΡΡ):
1) ΠΠ°ΠΏΡΡΠΊ
2) Π₯ΠΎΠ»ΠΎΡΡΠΎΠΉ Ρ
ΠΎΠ΄
ΠΠΏΡΠ°Π²Π»ΡΠ΅ΠΌ ΠΌΠΎΠ·Π³ΠΈ
Π° ΡΠΎ Ρ ΠΌΠ΅Π½Ρ Π½Π°ΠΊΠ»Π΅ΠΉΠΊΠ° ΠΎΡΡΡΡΡΡΠ²ΠΎΠ²Π°Π»Π°.
Π’ΡΡ ΡΠΌΠΎΡΡΠΈΠΌ ΡΠ°ΠΌ Π±Π»ΠΎΠΊ ΠΈ Π²Π΅ΡΡΠΈΡ ΠΏΡΠΎΡΠΈΠ²Ρ. Π£ ΠΌΠ΅Π½Ρ ΠΌΠΎΠ·Π³ΠΈ Π―Π½Π²Π°ΡΡ 7.2 Π±Π΅Π· ΠΏΠ»ΡΡΠ°, Ρ.Π΅ Π±ΡΠ΄Π΅ΠΌ ΡΠΈΡΡΡΡ Π±Π΅Π· Π΄ΠΎΡΠ°Π±ΠΎΡΠΊΠΈ Π±Π»ΠΎΠΊΠ° Π½Π΅ Π²ΡΠΊΡΡΠ²Π°Ρ Π΅Π³ΠΎ! Π―7,2+ ΠΈ ΠΌ73 ΡΡΠ΅ΠΌ Ρ Π΄ΠΎΡΠ°Π±ΠΎΡΠΊΠΎΠΉ Π΄ΠΎΠΏ. ΡΠ΅Π·ΠΈΡΡΠΎΡΠ°ΠΌΠΈ. Π‘Π½ΠΈΠΌΠ°Π΅ΠΌ ΠΌΠΎΠ·Π³ΠΈ Ρ Π°Π²ΡΠΎ (Π½Π° 2107 Π½Π°Ρ
ΠΎΠ΄ΡΡΡΡ ΠΌΠ΅ΠΆΠ΄Ρ Π²Π΅ΡΠ΅Π²ΠΎΠΉ ΠΏΠΎΠ»ΠΊΠΎΠΉ ΠΈ Π±Π°ΡΠ΄Π°ΡΠΊΠΎΠΌ)
ΠΈ Π½Π΅ΡΠ΅ΠΌ Π΄ΠΎΠΌΠΎΠΉ. Π― ΡΠΎΠ±ΠΈΡΠ°Π» Π²ΡΠ΅ ΠΏΠΎ ΡΠ°ΠΊΠΎΠΉ ΡΡ Π΅ΠΌΠ΅
ΠΏΡΠΈΡΠ΅ΠΌ ΠΊΠ»Π΅ΠΌΠΌΡ Π½Π° ΡΡΡΡΡΠΊΠΈ ΠΌΠΎΠ·Π³ΠΎΠ²- ΡΡΠΎ ΠΏΠΈΠ½Ρ ΠΎΡ 2114 ΠΏΠ°Π½Π΅Π»ΠΈ ΠΎΡΠ»ΠΎΠΌΠ°Π½Π½ΡΠ΅ Π½Π°ΠΏΠΎΠΏΠΎΠ»Π°ΠΌ.
ΠΠ° 43 Π½ΠΎΠ³Ρ ΠΠΠ£ ΠΏΡΡΠΊΠ°Π΅ΠΌ ΠΏΠ»ΡΡ ΡΠ΅ΡΠ΅Π· ΡΠ΅Π·ΠΈΡΡΠΎΡ Π½Π° 4,3 ΠΊΠΠΌ(ΡΠ°Π·ΡΠ΅ΡΠ΅Π½ΠΈΠ΅ ΠΏΡΠΎΠ³ΡΠ°ΠΌΠΈΡΠΎΠ²Π°Π½ΠΈΡ)
Π’Π°ΠΊ-ΠΊΠ°ΠΊ ΠΏΡΠΎΡΠΈΠ²Π°Ρ ΠΏΠ΅ΡΠ²ΡΠΉ ΡΠ°Π·, ΡΠΎ ΠΏΠΎΠ±ΠΎΡΠ»ΡΡ ΠΈΡΠΏΠΎΡΡΠΈΡΡ ΡΠ°Π±ΠΎΡΠΈΠ΅ ΠΌΠΎΠ·Π³ΠΈ Ρ ΠΌΠ°ΡΠΈΠ½Ρ, ΠΈ Π²Π·ΡΠ» Π²ΡΠΎΡΡΠ΅ ΠΠ²ΡΠ΅Π»ΠΎΠ²ΡΠΊΠΈΠ΅
. Π’ΡΡ ΡΠ°Π·Π½ΠΈΡΡ Π½Π΅Ρ, Ρ.Π΅ ΠΏΡΠΎΡΠΈΠ²ΠΊΠΈ ΠΡΠ΅Π»ΠΌΠ° Π»ΡΡΡΡΡ Π² Π°Π²ΡΠ΅Π», ΠΈ Π½Π°ΠΎΠ±ΠΎΡΠΎΡ!
ΠΡΠΎΡΠΈΠ²Π°Π»ΡΡ ΠΏΡΠΎΠ³ΡΠ°ΠΌΠΌΠΎΠΉ Π§ΠΈΠΏΠ»ΠΎΠ°Π΄Π΅Ρ 1.6. ΠΠ½Π° ΠΏΡΠΎΡΡΠ°Ρ ΠΈ ΠΏΠΎΠ½ΡΡΠ½Π°Ρ. ΠΠΎΠ΄ΡΠΎΠ±Π½Π΅Π΅:
Π‘ΠΎΠ±ΠΈΡΠ°Π΅ΠΌ ΡΡ
Π΅ΠΌΡ
ΠΠ°ΠΏΡΡΠΊΠ°Π΅ΠΌ Π§ΠΈΠΏΠ»ΠΎΠ°Π΄Π΅Ρ
ΠΡΠ±ΠΈΡΠ°Π΅ΠΌ ΠΏΠΎΡΡ Π΄Π»Ρ Π½Π°ΡΠ΅Π³ΠΎ ΡΠ½ΡΡΠΊΠ°
Π’ΡΠΊΠ°Π΅ΠΌ ΠΊΠ½ΠΎΠΏΠΎΡΠΊΡ Π½Π° 13 Π½ΠΎΠ³Ρ
ΠΠΌΠ΅ΠΌ ΡΡΡΠ°Π½ΠΎΠ²ΠΈΡΡ ΡΠ²ΡΠ·Ρ(Π΅ΡΠ»ΠΈ Π½Π΅ ΡΠ²ΡΠ·Π°Π»ΠΎΡΡ, ΡΠΎ Π²ΠΊΠ»/Π²ΡΠΊΠ» ΠΊΠ½ΠΎΠΏΠΊΡ ΠΈ ΠΏΡΠΎΠ±ΡΠ΅ΠΌ ΡΠ½ΠΎΠ²Π°)
Π‘Π²ΡΠ·Ρ ΡΡΡΠ°Π½ΠΎΠ²Π»Π΅Π½Π°, ΡΡΠΈΡΡΠ²Π°Π΅ΠΌ Flash(ΡΡΠΎΠΊΠΎΠ²Π°Ρ ΠΏΡΠΎΡΠΈΠ²ΠΊΠ°) ΠΈ ΡΠΎΡ
ΡΠ°Π½ΡΠ΅ΠΌ Π΅Π΅
ΠΡΠΈΡΠ°Π΅ΠΌ Flash ΠΈ Π·Π°Π³ΡΡΠΆΠ°Π΅ΠΌ Π½ΠΎΠ²ΡΡ ΠΏΡΠΎΡΠΈΠ²ΠΊΡ
ΠΠ°ΡΠΈΠ½Π°Π΅ΡΡΡ ΠΏΡΠΎΡΠΈΠ²ΠΊΠ° ΠΠΠ£
ΠΠΎΡΠ»Π΅ ΡΡΠΎΠ³ΠΎ ΡΠΌΠΎΡΡΠΈΠΌ, ΡΡΠΎ Π²Π΅ΡΡΠΈΡ ΠΠ ΠΈΠ·ΠΌΠ΅Π½ΠΈΠ»Π°ΡΡ
Π Π°Π·Π±ΠΈΡΠ°Π΅ΠΌ ΡΡ
Π΅ΠΌΡ ΠΈ Π½Π΅ΡΠ΅ΠΌ ΠΠΠ£ Π² ΠΌΠ°ΡΠΈΠ½Ρ Π΄Π»Ρ ΠΏΠΎΠ΄ΠΊΠ»ΡΡΠ΅Π½ΠΈΡ.
ΠΡΠΎΠ³ΡΠ°ΠΌΠΌΠΎΠΉ ΠΠΠΠ ΠΠΠΠ Π€Π Π ΡΠΌΠΎΡΡΠΈΠΌ, ΡΡΠΎ Π±Π»ΠΎΠΊ Ρ Π½Π°Ρ ΡΡΠ°Π» ΠΡΠ΅Π»ΠΌΠ°, ΠΈ Π²Π΅ΡΡΠΈΡ ΠΏΡΡΠΈΠ²ΠΊΠΈ ΠΈΠ·ΠΌΠ΅Π½ΠΈΠ»Π°ΡΡ
ΠΠΎΡΠ»Π΅ ΡΡΠΎΠ³ΠΎ Π² ΡΠ΅ΠΆΠΈΠΌΠ΅ Π΄ΠΈΠ°Π³Π½ΠΎΡΡΠΈΠΊΠΈ β Π² ΡΠ°Π·Π΄Π΅Π»Π΅ ΠΡΠΈΠ±ΠΊΠΈ Π²ΡΠΏΠΎΠ»Π½ΡΠ΅ΠΌ ΡΠ±ΡΠΎΡ ΠΠΠ£ Ρ ΠΈΠ½ΠΈΡΠΈΠ°Π»ΠΈΠ·Π°ΡΠΈΠ΅ΠΉ. ΠΠΎΡΠ»Π΅ ΡΡΠΎΠ³ΠΎ Π²ΡΠΊΠ»ΡΡΠ°Π΅ΠΌ Π·Π°ΠΆΠΈΠ³Π°Π½ΠΈΠ΅ ΠΈ ΠΎΡΠΊΠ»ΡΡΠ°Π΅ΠΌ Π°Π΄Π°ΠΏΡΠ΅Ρ ΠΎΡ ΠΌΠ°ΡΠΈΠ½Ρ. ΠΡΠ»ΠΈ ΠΏΠΎΡΠ»Π΅ ΡΠ±ΡΠΎΡΠ° ΠΏΠΎΠΏΡΡΠ°ΡΡΡΡ Π·Π°ΠΏΡΡΡΠΈΡΡ ΠΌΠΎΡΠΎΡ β ΠΎΠ½Π° Π½Π΅ Π·Π°Π²Π΅Π΄Π΅ΡΡΡ! Π’Π΅ΠΏΠ΅ΡΡ ΡΠΏΠΎΠΊΠΎΠΉΠ½ΠΎ Π·Π°ΠΏΡΡΠΊΠ°Π΅ΠΌ ΠΌΠΎΡΠΎΡ.
Π’Π΅ΠΏΠ΅ΡΡ ΠΎ ΡΠ°ΠΌΠΎΠΉ ΠΏΡΠΎΡΠΈΠ²ΠΊΠ΅. ΠΡΠΎΡΠΈΠ²ΠΊΠ° ΠΎΡ ΠΠ΅Π΄ΠΎΠΊΠΎΠ»Π° Ρ ΡΠ°ΡΡΠΈΡΠ½ΠΎΠΉ ΠΏΠΎΠ΄Π΄Π΅ΡΠΆΠΊΠΎΠΉ 1ΠΠ. ΠΠΎΡΠ»Π΅ ΠΏΡΠΎΡΠΈΠ²ΠΊΠΈ ΠΏΡΠΎΠΊΠ°ΡΠΈΠ²ΡΠΈΡΡ Π·Π°ΠΌΠ΅ΡΠΈΠ», ΡΡΠΎ ΠΈΡΡΠ΅Π·Π»ΠΈ ΠΏΡΠΎΠ²Π°Π»Ρ, ΠΎΠ±ΠΎΡΠΎΡΡ ΠΏΠΎΠ΄ΡΠΌΠ°ΡΡΡΡ ΠΏΠ»Π°Π²Π½ΠΎ, Π±ΠΎΠ΄ΡΡΠΉ ΡΠ°Π·Π³ΠΎΠ½ ΠΈ ΡΠ΅ΠΏΠ΅ΡΡ ΠΎΠ±ΠΎΡΠΎΡΡ ΡΠ±ΡΠ°ΡΡΠ²Π°Π΅Ρ Π² Π½ΠΈΠ· Π±ΡΡΡΡΠΎ Π±Π΅Π· ΡΡΠ²ΠΊΠΎΠ²! ΠΠ½Π΅ ΠΎΡ. ΠΏΠΎΠ½ΡΠ°Π²ΠΈΠ»Π°ΡΡ ΠΊΠΎΡΠΎΡΠ΅ Π³ΠΎΠ²ΠΎΡΡ. ΠΠ° ΡΠ°ΡΡ
ΠΎΠ΄ Π³ΠΎΡΡΡΠ΅Π³ΠΎ ΠΏΠΎΠΊΠ° Π½ΠΈΡΠ΅Π³ΠΎ Π³ΠΎΠ²ΠΎΡΠΈΡΡ Π½Π΅ Π±ΡΠ΄Ρ. Ρ.ΠΊ ΡΡΠ΅Π±ΡΠ΅ΡΡΡ Π½Π΅ΠΊΠΎΡΠΎΡΠΎΠ΅ Π²ΡΠ΅ΠΌΡ Π΄Π»Ρ ΠΊΠΎΠ½ΡΡΠΎΠ»Ρ. ΠΡΠ΅ΠΌ ΡΠΏΠ°ΡΠΈΠ±ΠΎ. ΠΠΌΠ΅ΠΌ ΠΏΠ°Π»ΡΡΡ Π²Π²Π΅ΡΡ
!
ΠΠ°ΠΊ ΠΏΡΠΎΡΠΈΡΡ Π²Π°Π· 2107 ΠΈΠ½ΠΆΠ΅ΠΊΡΠΎΡ ΡΠ²ΠΎΠΈΠΌΠΈ ΡΡΠΊΠ°ΠΌΠΈ
Π¦Π΅Π½ΡΡΠΎΠΌ ΠΠ΅ΡΠ½ΡΠΉ ΠΠ²ΠΈΠ³Π°ΡΠ΅Π»Ρ Π±ΡΠ» Π²ΡΠΏΠΎΠ»Π½Π΅Π½ ΡΠΈΠΏ-ΡΡΠ½ΠΈΠ½Π³ Π°Π²ΡΠΎΠΌΠΎΠ±ΠΈΠ»Ρ ΠΠ°Π· 2107.
ΠΡΠ΅ Π½Π°ΡΠ°Π»ΠΎΡΡ Ρ ΡΠΎΠ³ΠΎ, ΡΡΠΎ ΠΊΠ»ΠΈΠ΅Π½Ρ ΠΎΠ±ΡΠ°ΡΠΈΠ»ΡΡ Ρ ΠΆΠ°Π»ΠΎΠ±ΠΎΠΉ Π½Π° ΠΎΡΠΈΠ±ΠΊΡ ΠΏΠΎ Π½ΠΈΠ·ΠΊΠΎΠΉ ΡΡΡΠ΅ΠΊΡΠΈΠ²Π½ΠΎΡΡΠΈ ΠΊΠ°ΡΠ°Π»ΠΈΠ·Π°ΡΠΎΡΠ°.
ΠΡΠΏΠΎΠ»Π½ΠΈΠ² Π΄ΠΈΠ°Π³Π½ΠΎΡΡΠΈΠΊΡ ΠΈ ΡΠ±Π΅Π΄ΠΈΠ²ΡΠΈΡΡ Π² ΠΎΡΡΡΡΡΡΠ²ΠΈΠ΅ ΠΏΡΠΎΡΠΈΡ ΠΏΡΠΎΠ±Π»Π΅ΠΌ ΠΏΠΎ ΡΠ°Π±ΠΎΡΠ΅ Π΄Π²ΠΈΠ³Π°ΡΠ΅Π»Ρ, ΠΌΡ ΠΏΡΠ΅Π΄Π»ΠΎΠΆΠΈΠ»ΠΈ ΠΊΠ»ΠΈΠ΅Π½ΡΡ ΠΏΡΠΎΡΠΈΠ²ΠΊΡ Π½Π° ΠΠ²ΡΠΎ-2 (Ρ ΠΎΡΠΊΠ»ΡΡΠ΅Π½Π½ΡΠΌ ΠΊΠΎΠ½ΡΡΠΎΠ»Π΅ΠΌ ΠΊΠ°ΡΠ°Π»ΠΈΠ·Π°ΡΠΎΡΠ°) ΠΈ ΡΠΈΠ·ΠΈΡΠ΅ΡΠΊΠΈΠΌ Π΄Π΅ΠΌΠΎΠ½ΡΠΈΡΠΎΠ²Π°Π½ΠΈΠ΅ΠΌ ΠΊΠ°ΡΠ°Π»ΠΈΠ·Π°ΡΠΎΡΠ°. ΠΠ° ΡΡΠΎ ΠΊΠ»ΠΈΠ΅Π½Ρ Π΄Π°Π» ΠΏΠΎΠ»ΠΎΠΆΠΈΡΠ΅Π»ΡΠ½ΡΠΉ ΠΎΡΠ²Π΅Ρ, ΠΈ ΠΌΡ ΠΏΡΠΈΡΡΡΠΏΠΈΠ»ΠΈ ΠΊ ΡΠ°Π±ΠΎΡΠ΅.
ΠΠ΅ΡΠ²ΡΠΌ Π΄Π΅Π»ΠΎΠΌ, ΠΌΡ ΠΎΠΏΡΠ΅Π΄Π΅Π»ΠΈΠ»ΠΈ ΠΊΠ°ΠΊΠΎΠΉ Π½Π° Π΄Π°Π½Π½ΠΎΠΌ Π°Π²ΡΠΎΠΌΠΎΠ±ΠΈΠ»Π΅ ΡΡΡΠ°Π½ΠΎΠ²Π»Π΅Π½ ΠΠΠ£. ΠΠΌ ΠΎΠΊΠ°Π·Π°Π»ΡΡ ΠΠΠ£ ΠΡΡΠ»ΠΌΠ° Π73 (Π΅ΡΠ΅ ΠΌΠΎΠ³ ΡΡΠΎΡΡΡ Π―Π½Π²Π°ΡΡ 7.2, Bosch 7.9.7 ΠΈΠ»ΠΈ Π74). ΠΠ°Π½Π½ΡΠΉ ΡΠΈΠΏ Π±Π»ΠΎΠΊΠΎΠ² ΡΠΏΡΠ°Π²Π»Π΅Π½ΠΈΡ ΠΏΡΠΎΠ³ΡΠ°ΠΌΠΌΠΈΡΡΠ΅ΡΡΡ ΡΠ΅ΡΠ΅Π· ΡΠΏΠ΅ΡΠΈΠ°Π»ΡΠ½ΡΠΉ ΠΊΠ°Π±Π΅Π»Ρ, ΠΏΠΎΠ΄ΠΊΠ»ΡΡΠ°Π΅ΠΌΡΠΉ Π½Π΅ΠΏΠΎΡΡΠ΅Π΄ΡΡΠ²Π΅Π½Π½ΠΎ ΠΊ ΡΠ°Π·ΡΠ΅ΠΌΡ ΠΠΠ£. ΠΡΡ ΠΎΠΏΠ΅ΡΠ°ΡΠΈΡ ΠΌΠΎΠΆΠ½ΠΎ Π²ΡΠΏΠΎΠ»Π½ΠΈΡΡ, Π½Π΅ ΡΠ½ΠΈΠΌΠ°Ρ ΠΠΠ£ ΡΠΎ ΡΡΠ°ΡΠ½ΡΡ ΠΊΡΠ΅ΠΏΠ»Π΅Π½ΠΈΠΉ Π·Π° Π±Π°ΡΠ΄Π°ΡΠΊΠΎΠΌ Π°Π²ΡΠΎΠΌΠΎΠ±ΠΈΠ»Ρ.
ΠΡΠΎΡΡΠΌ ΡΡΠ°ΠΏΠΎΠΌ ΠΌΡ ΡΡΠΈΡΠ°Π»ΠΈ Π·Π°Π²ΠΎΠ΄ΡΠΊΡΡ ΠΏΡΠΎΡΠΈΠ²ΠΊΡ, Π° ΠΏΠΎ Π΅Π΅ ΠΈΠ΄Π΅Π½ΡΠΈΡΠΈΠΊΠ°ΡΠΎΡΠ°ΠΌ ΠΏΠΎΠ΄ΠΎΠ±ΡΠ°Π»ΠΈ ΡΡΠ½ΠΈΠ½Π³ΠΎΠ²Π°Π½Π½ΡΠΉ Π²Π°ΡΠΈΠ°Π½Ρ ΠΠ²ΡΠΎ-2.
ΠΠ°Π³ΡΡΠ·ΠΊΠ° ΡΠ°ΠΉΠ»Π° ΠΌΠΎΠ΄ΠΈΡΠΈΡΠΈΡΠΎΠ²Π°Π½Π½ΠΎΠΉ ΠΏΡΠΎΡΠΈΠ²ΠΊΠΈ Π·Π°Π½ΡΠ»Π° ΠΏΡΠΈΠΌΠ΅ΡΠ½ΠΎ 15 ΠΌΠΈΠ½ΡΡ ΡΠ°Π±ΠΎΡΠ΅Π³ΠΎ Π²ΡΠ΅ΠΌΠ΅Π½ΠΈ.
ΠΠ°ΠΊ ΡΠΎΠ»ΡΠΊΠΎ ΡΠ°Π±ΠΎΡΡ ΠΏΠΎ ΡΠ»Π΅ΠΊΡΡΠΎΠ½Π½ΠΎΠΉ ΡΠ°ΡΡΠΈ Π±ΡΠ»ΠΈ Π·Π°Π²Π΅ΡΡΠ΅Π½Ρ, ΠΌΡ ΠΏΡΠΈΡΡΡΠΏΠΈΠ»ΠΈ ΠΊ ΡΠ»Π΅ΡΠ°ΡΠ½ΠΎΠΌΡ ΡΡΠ°ΠΏΡ. ΠΠ°Π·-2107, ΠΏΠΎΠΆΠ°Π»ΡΠΉ, ΠΎΠ΄ΠΈΠ½ ΠΈΠ· ΠΎΡΠ΅Π½Ρ Π½Π΅ΠΌΠ½ΠΎΠ³ΠΈΡ Π°Π²ΡΠΎΠΌΠΎΠ±ΠΈΠ»Π΅ΠΉ, Π³Π΄Π΅ Π²ΠΌΠ΅ΡΡΠΎ ΠΊΠ°ΡΠ°Π»ΠΈΠ·Π°ΡΠΎΡΠ° ΠΌΠΎΠΆΠ½ΠΎ Π²Π²Π°ΡΠΈΡΡ ΠΎΠ±ΡΡΠ½ΡΡ ΡΡΡΠ±Ρ-ΠΏΡΠΎΡΡΠ°Π²ΠΊΡ, Π° Π½Π΅ ΠΏΠ»Π°ΠΌΠ΅Π³Π°ΡΠΈΡΠ΅Π»Ρ. ΠΡΠ΅ ΠΏΠΎΡΠΎΠΌΡ, ΡΡΠΎ Π² Β«ΠΊΠ»Π°ΡΡΠΈΠΊΠ΅Β» ΡΠ°ΠΊΠ°Ρ ΠΊΠΎΠ½ΡΡΡΡΠΊΡΠΈΡ Π²ΡΡ Π»ΠΎΠΏΠ°. ΠΠ°ΠΊ ΠΌΠΈΠ½ΠΈΠΌΡΠΌ, Π½Π° Β«ΠΊΠ»Π°ΡΡΠΈΠΊΠ΅Β» Π½Π΅Ρ Π³ΠΎΡΡΡ, ΠΊΠΎΡΠΎΡΠ°Ρ ΡΡΠΎΠΈΡ ΠΏΠΎΡΠ»Π΅ ΠΊΠ°ΡΠ°Π»ΠΈΠ·Π°ΡΠΎΡΠ° ΠΈ ΠΏΠΎΡΡΠΎΡΠ½Π½ΠΎ ΠΏΡΠΎΠ³ΠΎΡΠ°Π΅Ρ ΠΏΡΠΈ Π΅Π³ΠΎ ΠΎΡΡΡΡΡΡΠ²ΠΈΠΈ. ΠΠΎΡΡΠΎΠΌΡ Π½Π° Π°Π²ΡΠΎΠΌΠΎΠ±ΠΈΠ»ΡΡ ΠΠ°Π·-2107 Π²ΠΌΠ΅ΡΡΠΎ ΠΊΠ°ΡΠ°Π»ΠΈΠ·Π°ΡΠΎΡΠ° ΠΌΠΎΠΆΠ½ΠΎ Π²Π²Π°ΡΠΈΡΡ ΡΡΡΠ±Ρ-ΠΏΡΠΎΡΡΠ°Π²ΠΊΡ. ΠΠΌΠ΅Π½Π½ΠΎ ΡΠ°ΠΊ ΠΌΡ ΠΏΠΎΡΡΡΠΏΠΈΠ»ΠΈ ΠΈ Π² ΠΎΠΏΠΈΡΡΠ²Π°Π΅ΠΌΠΎΠΌ ΡΠ»ΡΡΠ°Π΅.
Π§Π΅ΡΠ΅Π· ΡΠ°Ρ ΡΠ»Π΅ΡΠ°ΡΠ½ΠΎ-ΡΠ²Π°ΡΠΎΡΠ½ΡΡ ΡΠ°Π±ΠΎΡ Π²ΡΡ Π»ΠΎΠΏ ΡΡΠ°Π» ΡΡΡΡ ΠΌΠ΅Π½Π΅Π΅ ΡΠΊΠΎΠ»ΠΎΠ³ΠΈΡΠ½ΡΠΌ, Π·Π°ΡΠΎ ΠΌΠΎΡΠΎΡΡ ΡΡΠ°Π»ΠΎ ΠΏΡΠΎΡΠ΅ «Π΄ΡΡΠ°ΡΡ», Π·Π° ΡΡΠ΅Ρ ΡΠ΅Π³ΠΎ ΠΏΠΎΠ²ΡΡΠΈΠ»ΠΈΡΡ Π΅Π³ΠΎ ΡΡΠ³ΠΎΠ²ΠΎ-Π΄ΠΈΠ½Π°ΠΌΠΈΡΠ΅ΡΠΊΠΈΠ΅ Ρ Π°ΡΠ°ΠΊΡΠ΅ΡΠΈΡΡΠΈΠΊΠΈ. ΠΠ°Π»ΡΡΠ΅ ΠΌΡ Π·Π°Π²Π΅Π»ΠΈ ΠΌΠ°ΡΠΈΠ½Ρ, ΡΠ±Π΅Π΄ΠΈΠ»ΠΈΡΡ, ΡΡΠΎ ΠΎΡΠΈΠ±ΠΊΠ° P0420 Π±ΠΎΠ»ΡΡΠ΅ Π½Π΅ Π·Π°Π³ΠΎΡΠ°Π΅ΡΡΡ ΠΈ ΠΎΡΠΏΡΠ°Π²ΠΈΠ»ΠΈΡΡ Ρ ΠΊΠ»ΠΈΠ΅Π½ΡΠΎΠΌ Π½Π° ΡΠ΅ΡΡ-Π΄ΡΠ°ΠΉΠ².
ΠΠΎ ΡΠ΅Π·ΡΠ»ΡΡΠ°ΡΠ°ΠΌ ΡΠ΅ΡΡ-Π΄ΡΠ°ΠΉΠ²Π° ΠΊΠ»ΠΈΠ΅Π½Ρ ΡΠΎΠΎΠ±ΡΠΈΠ», ΡΡΠΎ Π΄Π°ΠΆΠ΅ ΠΈ Π½Π΅ Π΄ΡΠΌΠ°Π», ΡΡΠΎ ΠΏΡΠΎΡΡΠΎΠ΅ ΡΠ΄Π°Π»Π΅Π½ΠΈΠ΅ ΠΊΠ°ΡΠ°Π»ΠΈΠ·Π°ΡΠΎΡΠ° ΠΌΠΎΠΆΠ΅Ρ Π΄Π°ΡΡ ΡΠ°ΠΊΠΎΠΉ ΡΡΡΠ΅ΡΡΠ²Π΅Π½Π½ΡΠΉ ΠΏΡΠΈΡΠΎΡΡ ΠΌΠΎΡΠ½ΠΎΡΡΠΈ.
Π‘ΠΈΠ΄Π΅Π» ΡΡΡ Π½Π° Π΄Π½ΡΡ
ΠΈ Π΄ΡΠΌΠ°Π»: «Π° Π½Π΅ ΡΠΈΠΏΠ°Π½ΡΡΡ Π»ΠΈ ΠΌΠ½Π΅ ΠΌΠΎΡ ΠΌΠ°ΡΠΈΠ½ΠΊΡ?»
ΠΠΎΡΡΠΏΠΈΠ» Π½Π΅ΠΌΠ½ΠΎΠ³ΠΎ ΠΈ Π²ΡΠ΅ ΡΠ°ΠΊΠΈ ΡΠ΅ΡΠΈΠ», Π½Π°Π΄ΠΎ ΡΠΏΡΠΎΡΠΈΡΡ Π² ΡΠ΅ΡΠ²Π°ΠΊΠ°Ρ
, ΡΡΠΎ ΠΈ ΠΊΠ°ΠΊ ΡΡΠΎΠΈΡβ¦
ΠΠΎΠ΅Π·Π΄ΠΈΠ», ΠΏΠΎΡΠΏΡΠ°ΡΠΈΠ²Π°Π», Π² ΡΡΠ΅Π΄Π½Π΅ΠΌ Π² ΠΌΠΎΠ΅ΠΌ Π³ΠΎΡΠΎΠ΄Π΅ ΡΡΠΎ ΡΠ΄ΠΎΠ²ΠΎΠ»ΡΡΡΠ²ΠΈΠ΅ ΡΡΠΎΠΈΡ ΠΎΠΊΠΎΠ»ΠΎ 3-Ρ
ΡΡΡΡΡ, ΠΎΡΠ»ΠΎΠΆΠΈΠ» ΡΡΡ ΠΌΡΡΠ»Ρ Π½Π° ΠΏΠΎΡΠΎΠΌ. Π Π²ΠΎΡ Π½Π°ΡΡΡΠΏΠΈΠ» ΡΠΎΡ Π΄Π΅Π½Ρ, ΠΊΠΎΠ³Π΄Π° Ρ ΠΏΡΠΈΠΎΠ±ΡΠ΅Π» Π΄ΠΈΠ°Π³Π½ΠΎΡΡΠΈΡΠ΅ΡΠΊΠΈΠΉ ΠΊΠ°Π±Π΅Π»Ρ, Π½Π°ΡΠ°Π» ΡΡΡΡ ΠΈΠ½ΡΠ΅ΡΠ½Π΅Ρ, Π² ΠΏΠΎΠΈΡΠΊΠ°Ρ
ΠΈΠ½ΡΠΎΡΠΌΠ°ΡΠΈΠΈ.
ΠΡΠ°ΠΊ, ΠΊΠ°ΠΊ ΠΆΠ΅ Π²ΡΠ΅ ΡΠ°ΠΊΠΈ ΡΠ΄Π΅Π»Π°ΡΡ ΡΠΈΠΏ ΡΡΠ½ΠΈΠ½Π³ ΠΠΠΠΈΠΊΠΎΠ²?
ΠΠΈΡΠ΅Π³ΠΎ ΡΠ»ΠΎΠΆΠ½ΠΎΠ³ΠΎ Π² ΡΡΠΎΠΌ Π½Π΅Ρ, ΠΏΠΎΠ½ΠΈΠΌΠ°Ρ, ΠΊΡΡΠ° ΡΠ°Π·Π½ΡΡ
Π½Π΅ΠΈΠ·Π²Π΅ΡΡΠ½ΡΡ
ΠΎΠΏΡΠ΅Π΄Π΅Π»Π΅Π½ΠΈΠΉ Π½Π° ΡΠΎΡΡΠΌΠ°Ρ
Π±ΡΠ΄ΡΡ ΠΎΡΡΠ°Π»ΠΊΠΈΠ²Π°ΡΡ Π²Π°Ρ ΠΎΡ ΡΡΠΎΠΉ Π·Π°ΡΠ΅ΠΈ, Π½ΠΎ ΠΊΡΠΎ Π±ΠΎΡΠ΅ΡΡΡ, ΡΠΎΡ ΠΏΠΎΠ»ΡΡΠ°Π΅Ρ ΡΠ²ΠΎΠ΅.
ΠΠ°ΡΠ½Π΅ΠΌ ΠΏΠΎ ΠΏΠΎΡΡΠ΄ΠΊΡ:
1.ΠΡΠΈΠΎΠ±ΡΠ΅ΡΠ°Π΅ΠΌ Π΄ΠΈΠ°Π³Π½ΠΎΡΡΠΈΡΠ΅ΡΠΊΠΈΠΉ ΠΊΠ°Π±Π΅Π»Ρ (Ρ ΠΌΠ΅Π½Ρ ΠΊΠ°Π±Π΅Π»Ρ KKL VAG-COM for 409.1 (usb), Π±ΡΠ°Π» Π½Π° Π°Π²ΠΈΡΠΎ Ρ ΠΏΠ°ΡΠ½ΠΈΡΠΊΠΈ Π·Π° 1000 ΡΡΠ±Π»ΠΈΠΊΠΎΠ²);
2.ΠΠ°ΠΌ ΠΏΠΎΠ½Π°Π΄ΠΎΠ±ΠΈΡΡΡ ΡΠ΅Π·ΠΈΡΡΠΎΡ ΠΏΡΠΈΠΌΠ΅ΡΠ½ΠΎ Π½Π° 4ΠΊΠΠΌ (Π½Π°ΠΉΡΠΈ Π΅Π³ΠΎ ΠΌΠΎΠΆΠ½ΠΎ ΠΏΡΠ°ΠΊΡΠΈΡΠ΅ΡΠΊΠΈ Π²Π΅Π·Π΄Π΅), Π²ΠΎΡ ΡΡΡ Π½Π°ΡΠΈΠ½Π°ΡΡΡΡ ΠΏΡΠΎΠ±Π»Π΅ΠΌΡ, Π»ΠΈΡΠ½ΠΎ Ρ ΠΌΠ΅Π½Ρ Π² Π³ΠΎΡΠΎΠ΄Π΅ Π½Π΅Ρ ΡΠΏΠ΅Ρ. ΠΌΠ°Π³Π°Π·ΠΈΠ½ΠΎΠ² Π³Π΄Π΅ ΡΠ°ΠΊΠΈΠ΅ ΠΏΡΠΈΠ±Π»ΡΠ΄Ρ ΠΌΠΎΠΆΠ½ΠΎ Π·Π°ΠΉΡΠΈ ΠΈ ΡΠΏΠΎΠΊΠΎΠΉΠ½ΠΎ ΠΊΡΠΏΠΈΡΡ, ΠΌΠ½Π΅ ΠΏΡΠΈΡ ΠΎΠ΄ΠΈΠ»ΠΎΡΡ Π²ΠΎΡΠΎΡΠΈΡΡ ΠΏΠ»Π°ΡΡ, ΡΠ°ΡΡΠΌΠΎΡΡΠΈΠΌ ΡΡΠΎ «Π½Π΅ ΠΎΡΡ ΠΎΠ΄Ρ ΠΎΡ ΠΊΠ°ΡΡΡ»:
Π°)ΠΡΠ»ΠΈ Π½Π° ΡΠ΅Π·ΠΈΡΡΠΎΡΠ°Ρ , ΠΊΠΎΡΠΎΡΡΠ΅ Π²Ρ Π½Π°ΡΠ»ΠΈ Π½Π° ΠΏΠ»Π°ΡΠ΅ ΠΈΠ»ΠΈ Π² ΠΊΠ°ΠΊΠΎΠΌ Π»ΠΈΠ±ΠΎ ΠΈΠ½ΠΎΠΌ ΠΌΠ΅ΡΡΠ΅, Π½Π΅Ρ ΡΠΈΡΡΠΎΠ²ΡΡ ΠΎΠ±ΠΎΠ·Π½Π°ΡΠ΅Π½ΠΈΠΉ (Π½Π° ΠΊΠ°ΠΊΠΎΠ΅ ΡΠΎΠΏΡΠΎΡΠΈΠ²Π»Π΅Π½ΠΈΠ΅ ΠΎΠ½ ΡΠ°ΡΡΠΈΡΠ°Π½), ΡΠΎ Π±Π΅ΡΠ΅ΠΌ ΠΌΡΠ»ΡΡΠΈΠΌΠ΅ΡΡ ΠΈ Π½Π°ΡΠΈΠ½Π°Π΅ΠΌ ΠΈΠ·ΠΌΠ΅ΡΡΡΡ (ΡΡΠ°Π·Ρ Π³ΠΎΠ²ΠΎΡΡ, Π΅ΡΠ»ΠΈ ΡΠ΅Π·ΠΈΡΡΠΎΡ Π΅ΡΠ΅ ΠΏΠΎΠ»Π½ΠΎΡΡΡΡ Π²ΠΏΠ°ΡΠ½, ΡΠΎ ΠΈΠ·ΠΌΠ΅ΡΡΡΡ Π½Π΅Ρ ΡΠΌΡΡΠ»Π°, Π½ΡΠΆΠ½ΠΎ Π²ΡΠΏΠ°ΡΡΡ Ρ ΠΎΡΡ Π±Ρ ΠΎΠ΄Π½Ρ Π½ΠΎΠΆΠΊΡ ΠΈ Π½Π΅ Π·Π°Π±ΡΠ΄ΡΡΠ΅ ΡΡΠΎ Π½Π΅Π»ΡΠ·Ρ ΠΊΠ°ΡΠ°ΡΡΡΡ ΠΊΠΎΠ½ΡΠ°ΠΊΠΎΠ² ΠΌΡΠ»ΡΡΠΈΠΌΠ΅ΡΡΠ°, Π²Π΅Π΄Ρ Π²Ρ ΡΠΎΠΆΠ΅ ΠΈΠΌΠ΅Π΅ΡΠ΅ ΡΠΎΠΏΡΠΎΡΠΈΠ²Π»Π΅Π½ΠΈΠ΅ ΠΈ ΠΎΠ½ Π±ΡΠ΄Π΅Ρ Π²ΡΠ°ΡΡ, Π² ΠΎΠ±ΡΠ΅ΠΌ ΡΠ°ΠΊΠΈΠΌΠΈ ΡΠ΅ΠΌΠΏΠ°ΠΌΠΈ Π΄ΠΎΠ»Π³ΠΎ Π±ΡΠ΄Π΅ΡΠ΅ ΠΈΡΠΊΠ°ΡΡ Π½ΡΠΆΠ½ΡΠΉ Π²Π°ΠΌ ΡΠ΅Π·ΠΈΡΡΠΎΡ);
Π±)ΠΠΎΠΆΠ½ΠΎ Π±ΡΠ°ΡΡ ΡΠ΅Π·ΠΈΡΡΠΎΡ ΡΠΎΠΏΡΠΎΡΠΈΠ²Π»Π΅Π½ΠΈΠ΅ΠΌ ΠΎΡ 3.5ΠΊΠΠΌ Π΄ΠΎ 5.7ΠΊΠΠΌ (ΡΡΠΎ Π²ΡΠ΅ ΠΏΡΠΈΠΌΠ΅ΡΠ½ΠΎ Ρ.ΠΊ. ΡΠ½Π°ΡΠ°Π»Π° Ρ ΠΌΠ΅Π½Ρ ΡΡΠΎΡΠ» ΡΠ΅Π·ΠΈΡΡΠΎΡ Π²ΡΡΠ΅ 10ΠΊΠΠΌ ΠΈ ΠΎΠ½ ΡΠ°Π±ΠΎΡΠ°Π», Π½ΠΎ Π²ΡΠ±ΠΈΠ²Π°Π»ΠΎ ΠΊΠΎΠ³Π΄Π° ΠΏΠΎΠ΄ΠΊΠ»ΡΡΠ°Π»ΡΡ ΠΊ ΠΌΠΎΠ·Π³Π°ΠΌ, ΠΏΠΎΡΠΎΠΌ ΠΏΠΎΡΡΠ°Π²ΠΈΠ» Π½Π° 5 Ρ ΡΠ΅ΠΌ-ΡΠΎ ΠΈ Π²ΡΠ΅ ΡΡΠ°Π»ΠΎ Π½ΠΎΡΠΌ);
Π²)ΠΠ° ΡΡΠ΅Ρ ΡΠ²Π΅ΡΠΎΠ² Π½Π° ΡΠ΅Π·ΠΈΡΡΠΎΡΠ΅, Π²Π²Π΅Π΄ΠΈΡΠ΅ Π² ΠΏΠΎΠΈΡΠΊΠΎΠ²ΠΈΠΊΠ΅: «ΡΠ²Π΅ΡΠ° ΡΠ΅Π·ΠΈΡΡΠΎΡΠΎΠ²» ΠΈ ΡΠ°ΠΌ Π±ΡΠ΄Π΅Ρ ΡΠ°Π±Π»ΠΈΡΠ° ΠΊΠ°ΠΊ ΡΠ°ΡΡΠΈΡΠ°ΡΡ ΠΏΠΎ ΡΠ²Π΅ΡΠ°ΠΌ ΡΠΎΠΏΡΠΎΡΠΈΠ²Π»Π΅Π½ΠΈΠ΅, Ρ ΡΡΠΈΡΠ°Π», Π½ΠΎ Π²ΠΈΠ΄ΠΈΠΌΠΎ Ρ ΡΡΠΎ-ΡΠΎ Π½Π΅ ΠΏΠΎΠ½ΠΈΠΌΠ°Ρ, ΠΊΠΎΡΠΎΡΠ΅ Ρ ΠΌΠ΅Π½Ρ Π½Π΅ ΠΏΠΎΠ»ΡΡΠ°Π»ΠΎΡΡ (ΡΡΠΎ Π½Π° ΡΠ»ΡΡΠ°ΠΉ Π΅ΡΠ»ΠΈ Π½Π΅Ρ ΠΌΡΠ»ΡΡΠΈΠΌΠ΅ΡΡΠ°, Π° Π΅ΡΡΡ ΡΠΎΠ»ΡΠΊΠΎ ΠΈΠ½ΡΠ΅ΡΠ½Π΅Ρ).
3.ΠΠ°Π»ΡΡΠ΅ ΠΏΠΎΠ½Π°Π΄ΠΎΠ±ΡΡΡΡ, Π½Π΅ΡΠΊΠΎΠ»ΡΠΊΠΎ Π½Π΅Π΄Π»ΠΈΠ½Π½ΡΡ ΠΏΡΠΎΠ²ΠΎΠ΄ΠΎΠ² ΠΈ ΠΊ Π½ΠΈΠΌ ΠΊΠ»Π΅ΠΌΠΌΡ ΡΠΈΠΏΠ° «ΠΌΠ°ΠΌΠ°», Π½ΠΎ ΠΎΠΏΡΡΡ ΠΆΠ΅, Π² ΠΌΠ°Π³Π°Π·ΠΈΠ½Π°Ρ ΡΠ»ΠΈΡΠΊΠΎΠΌ Π±ΠΎΠ»ΡΡΠΈΠ΅ Π΄Π»Ρ ΠΊΠΎΠ½ΡΠ°ΠΊΡΠΎΠ² ΠΠΠ£ (ΠΌΠΎΠ·Π³ΠΎΠ²), ΠΏΠΎΡΡΠΎΠΌΡ Ρ Π²Π·ΡΠ» ΡΡΠ°ΡΡΠΉ Π±Π»ΠΎΠΊ ΠΏΠΈΡΠ°Π½ΠΈΡ ΠΈ Π½Π°ΡΠ°Π» Π΄ΠΎΡΡΠ°Π²Π°ΡΡ ΠΊΠ»Π΅ΠΌΠΌΡ Ρ ΡΠΈΡΠ΅ΠΊ ΠΏΠΈΡΠ°Π½ΠΈΡ ΠΌΠ°ΡΠ΅ΡΠΈΠ½ΡΠΊΠΎΠΉ ΠΏΠ»Π°ΡΡ (ΡΠ°ΠΌΠ°Ρ Π±ΠΎΠ»ΡΡΠ°Ρ ΡΠΈΡΠΊΠ°)
4.ΠΠ»Ρ ΡΠ΄ΠΎΠ±ΡΡΠ²Π° Π±ΠΎΠ»ΡΡΠΈΠ½ΡΡΠ²ΠΎ Π½Π°ΡΠΎΠ΄Ρ ΡΡΠ°Π²ΡΡ ΡΡΠΌΠ±Π»Π΅ΡΡ (Π΄Π»Ρ ΠΈΠΌΠΈΡΠ°ΡΠΈΠΈ Π·Π°ΠΆΠΈΠ³Π°Π½ΠΈΡ), Ρ Π½Π΅ ΡΡΠ°Π²ΠΈΠ», Ρ.ΠΊ. Π±ΡΠ»ΠΎ ΡΠ»ΠΈΡΠΊΠΎΠΌ Π»Π΅Π½Ρ ΠΈΡΠΊΠ°ΡΡ Π΅Π³ΠΎ, Π΅ΡΠ»ΠΈ Π²Ρ Ρ ΠΎΡΠΈΡΠ΅ ΠΌΠΎΠΆΠ΅ΡΠ΅ Π²Π·ΡΡΡ ΡΡΠΌΠ±Π»Π΅Ρ ΠΊΠ°ΠΊΠΎΠΉ-Π½ΠΈΠ±ΡΠ΄Ρ 🙂
5.ΠΠ°Π»Π΅Π΅ ΠΈΠ΄Π΅ΠΌ Π² ΡΠ²ΠΎΠ΅ Π°Π²ΡΠΎ ΠΈ ΡΠ½ΠΈΠΌΠ°Π΅ΠΌ ΠΌΠΎΠ·Π³ΠΈ (Π΄ΡΠΌΠ°Ρ Π½Π΅Ρ ΡΠΌΡΡΠ»Π° ΠΎΠΏΠΈΡΡΠ²Π°ΡΡ ΠΏΡΠΎΡΠ΅ΡΡ ΡΠ½ΡΡΠΈΡ ΡΡΠΎΠ³ΠΎ ΡΡΡΡΠΎΠΉΡΡΠ²Π°);
ΠΡΠΈΠ³ΠΎΡΠΎΠ²ΠΈΠ² Π²ΡΠ΅ Π½Π΅ΠΎΠ±Ρ ΠΎΠ΄ΠΈΠΌΠΎΠ΅ ΠΈ ΠΏΡΠΈΠ½Π΅ΡΡ Π΄ΠΎΠΌΠΎΠΉ ΠΌΠΎΠ·Π³ΠΈ ΠΎΡ ΡΠ²ΠΎΠ΅ΠΉ Π»Π°ΡΡΠΎΡΠΊΠΈ Π½Π°ΡΠΈΠ½Π°Π΅ΠΌ ΠΏΡΠΎΡΠ΅ΡΡ:
1. Π Π°ΡΠΏΠΈΠ½ΠΎΠ²ΠΊΠ°:
51,53 ΠΊΠΎΠ½ΡΠ°ΠΊΡ ΠΠΠ£ β ΠΠ°ΡΡΠ°
71 ΠΊΠΎΠ½ΡΠ°ΠΊΡ ΠΠΠ£ β Π-ΠΠ°ΠΉΠ½ (ΡΡΠ΄Π° ΠΏΠΎΠ΄ΠΊΠ»ΡΡΠ°Π΅ΡΡΡ Π°Π΄Π°ΠΏΡΠ΅Ρ Π΄Π»Ρ ΠΏΡΠΎΠ³ΡΠ°ΠΌΠΌΠΈΡΠΎΠ²Π°Π½ΠΈΡ)
13 ΠΊΠΎΠ½ΡΠ°ΠΊΡ ΠΠΠ£ β ΠΠΊΠ»ΡΡΠ΅Π½ΠΈΠ΅ Π·Π°ΠΆΠΈΠ³Π°Π½ΠΈΡ (+12Π)
12 ΠΊΠΎΠ½ΡΠ°ΠΊΡ ΠΠΠ£ β ΠΠ΅ΠΎΡΠΊΠ»ΡΡΠ°Π΅ΠΌΠΎΠ΅ ΠΏΠΈΡΠ°Π½ΠΈΠ΅ (+12Π)
43 ΠΊΠΎΠ½ΡΠ°ΠΊΡ ΠΠΠ£ β Π Π°Π·ΡΠ΅ΡΠ΅Π½ΠΈΠ΅ ΠΏΡΠΎΠ³ΡΠ°ΠΌΠΌΠΈΡΠΎΠ²Π°Π½ΠΈΡ (+12Π, ΡΠ΅ΡΠ΅Π· ΡΠ΅Π·ΠΈΡΡΠΎΡ ΠΏΠΎΡΡΠ΄ΠΊΠ° 4ΠΠΠΌ)
44,63 ΠΊΠΎΠ½ΡΠ°ΠΊΡ ΠΠΠ£ β ΠΠΈΡΠ°Π½ΠΈΠ΅ Π³Π»Π°Π²Π½ΠΎΠ³ΠΎ ΡΠ΅Π»Π΅ (+12Π)
2.ΠΠΎΠ΄ΠΊΠ»ΡΡΠ°Π΅ΠΌ Π²ΡΠ΅ ΡΠΎΠ³Π»Π°ΡΠ½ΠΎ ΡΠ°ΡΠΏΠΈΠ½ΠΎΠ²ΠΊΠ΅, ΠΏΠ»ΡΡ ΠΌΠΎΠΆΠ½ΠΎ Π±ΡΠ°ΡΡ ΠΎΠ΄ΠΈΠ½ ΠΎΠ±ΡΠΈΠΉ, ΠΌΠΈΠ½ΡΡ Π°Π½Π°Π»ΠΎΠ³ΠΈΡΠ½ΠΎ, ΠΎΠ±ΡΠΈΠΉ.
3.ΠΡΠ°ΠΊ, ΠΏΡΠΈΡΡΡΠΏΠΈΠΌ ΠΊ Π΅ΡΠ΅ ΠΎΠ΄Π½ΠΎΠΌΡ Π½Π΅ ΠΏΡΠΎΡΡΠΎΠΌΡ Π΄Π΅Π»Ρ, Π½Π°ΡΡΡΠΎΠΉΠΊΠ° ΠΏΠΎΡΡΠ° ΠΈ ΡΡΡΠ°Π½ΠΎΠ²ΠΊΠ° Π΄ΡΠ°ΠΉΠ²Π΅ΡΠΎΠ²:
Π°)ΠΠΎΠ΄ΠΊΠ»ΡΡΠ°Π΅ΠΌ Π΄ΠΈΠ°Π³Π½ΠΎΡΡΠΈΡΠ΅ΡΠΊΠΈΠΉ ΠΊΠ°Π±Π΅Π»Ρ ΠΊ ΠΊΠΎΠΌΠΏΡ;
Π±)ΠΡΠΊΡΡΠ²Π°Π΅ΠΌ: ΠΠΎΠΉ ΠΠΎΠΌΠΏΡΡΡΠ΅Ρ>Π‘Π²ΠΎΠΉΡΡΠ²Π°(ΠΏΡΠ°Π²ΠΎΠΉ ΠΊΠ½ΠΎΠΏΠΎΠΊΠΎΠΉ ΠΌΡΡΠΈ)>ΠΠΈΡΠΏΠ΅ΡΡΠ΅Ρ ΡΡΡΡΠΎΠΉΡΡΠ² (Π΅ΡΠ»ΠΈ ΡΡΠΎ Ρ ΠΌΠ΅Π½Ρ windows 7);
Π²)ΠΠ°Π»Π΅Π΅ ΠΎΡΠΊΡΡΠ²Π°Π΅ΠΌ ΡΠ°Π·Π΄Π΅Π» «ΠΏΠΎΡΡΡ COM ΠΈ LPT», ΡΠ°ΠΌ Π±ΡΠ΄Π΅Ρ
Π΄)Π’ΡΡ Π΅ΡΠ΅ Π½Π΅ Π²ΡΠ΅, Π·Π°Ρ ΠΎΠ΄ΠΈΠΌ Π² ΡΡΠΎΠΌ ΠΆΠ΅ ΡΠ°Π·Π΄Π΅Π»Π΅ Π² «Π΄ΠΎΠΏΠΎΠ»Π½ΠΈΡΠ΅Π»ΡΠ½ΠΎ», Π½ΠΈΡΠ΅Π³ΠΎ Π½Π΅ ΡΡΠΎΠ³Π°Π΅ΠΌ, ΡΠΎΠ»ΡΠΊΠΎ ΠΌΠ΅Π½ΡΠ΅ΠΌ «Π½ΠΎΠΌΠ΅Ρ COM-ΠΏΠΎΡΡΠ°», Ρ ΠΏΠΎΡΡΠ°Π²ΠΈΠ» Π½Π° COM1. ΠΡΠ΅, Π·Π°ΠΊΡΡΠ²Π°Π΅ΠΌ Π²ΡΠ΅, Π²ΡΡΠ°ΡΠΊΠΈΠ²Π°Π΅ΠΌ ΠΊΠ°Π±Π΅Π»Ρ ΠΈΠ· ΠΊΠΎΠΌΠΏΠ° ΠΈ ΡΡΠ°Π²ΠΈΠΌ Π·Π°Π½ΠΎΠ³ΠΎ, Π΅ΡΠ»ΠΈ Π²Π°Ρ ΠΊΠΎΠΌΠΏ Π½Π΅ ΠΌΠΎΠΆΠ΅Ρ Π½Π°ΠΉΡΠΈ Π΄ΡΠ°ΠΉΠ²Π΅ΡΠ° Π½Π° ΠΊΠ°Π±Π΅Π»Ρ, ΠΏΡΠΎΠ±ΡΠΉΡΠ΅ ΡΡΡΠ°Π½Π°Π²Π»ΠΈΠ²Π°ΡΡ Ρ Π΄ΠΈΡΠΊΠ°( ΠΊΠΎΡΠΎΡΡΠΉ ΡΠ΅Π» Ρ Π½ΠΈΠΌ), Π½ΠΎ ΠΊΠΎΠ³Π΄Π° Ρ Π½Π°ΡΡΡΠΎΠΈΠ» ΠΏΠΎΡΡ, ΠΊΠΎΠΌΠΏ ΡΠ°ΠΌ Π½Π°ΡΠ΅Π» Π΄ΡΠ°ΠΉΠ²Π΅ΡΠ° ΠΈ ΡΡΡΠ°Π½ΠΎΠ²ΠΈΠ». ΠΡΠ»ΠΈ ΠΆΠ΅ Π²ΡΠ΅ ΡΡΡΠ°Π½ΠΎΠ²Π»Π΅Π½ΠΎ, ΡΠΎ ΠΏΠΎΡΠ»Π΅ Π²ΡΡΠ°ΡΠΊΠΈΠ²Π°Π½ΠΈΡ ΠΈ Π²ΡΡΠΊΠ°Π½ΠΈΡ ΠΊΠ°Π±Π΅Π»Ρ ΠΎΠ±ΡΠ°ΡΠ½ΠΎ, Π·Π°Ρ ΠΎΠ΄ΠΈΠΌ Π² ΠΏΡΠΎΠ³ΡΠ°ΠΌΠΌΡ ΡΠ΅ΡΠ΅Π· ΠΊΠΎΡΠΎΡΡΡ Π±ΡΠ΄Π΅ΡΠ΅ ΠΏΡΠΎΠ³ΡΠ°ΠΌΠΌΠΈΡΠΎΠ²Π°ΡΡ.
4.ΠΡΠ°ΠΊ ΡΠΊΠ°ΡΠΈΠ²Π°Π΅ΠΌ ΠΏΡΠΎΠ³ΡΠ°ΠΌΠΌΡ (Ρ ΠΌΠ΅Π½Ρ Π²ΠΎΡ ΡΡΠ°winfe_1.13.exe);
5.Π‘ΡΠ°Π²ΠΈΠΌ ΡΠΊΠΎΡΠΎΡΡΠΈ ΡΠ°ΠΊΠΈΠ΅ ΠΆΠ΅ ΠΊΠ°ΠΊ Π² Π΄ΠΈΡΠΏΠ΅ΡΡΠ΅ΡΠ΅ (9600) ΠΈ ΠΏΠΎΡΡ ΡΡΠ°Π²ΠΈΠΌ Π²Π°Ρ (ΠΌΠΎΠΉ COM1), Π΄Π°Π»Π΅Π΅ ΡΡΠ°Π²ΠΈΠΌ Π²Π°Ρ ΠΊΠΎΠ½ΡΡΠΎΠ»Π»Π΅Ρ ΡΠ²Π΅ΡΡ Ρ;
6.ΠΡΠ°ΠΊ, Π²ΡΠΎΠ΄Π΅ Π±Ρ Π²ΡΠ΅, ΠΎΡΠΊΠ»ΡΡΠ°Π΅ΠΌ ΠΈΠΌΠΈΡΠ°ΡΠΈΡ Π·Π°ΠΆΠΈΠ³Π°Π½ΠΈΡ, Π²ΠΊΠ»ΡΡΠ°Π΅ΠΌ ΠΈ Π² ΠΏΡΠΎΠ³ΡΠ°ΠΌΠΌΠ΅ ΡΠ½ΠΈΠ·Ρ Π΄ΠΎΠ»ΠΆΠ½ΠΎ ΠΏΠΎΠΊΠ°Π·Π°ΡΡ, ΡΡΠΎ «ΡΠ²ΡΠ·Ρ Ρ ΠΠΠ£» ΡΡΡΠ°Π½ΠΎΠ²Π»Π΅Π½Π°;
7.ΠΡΠ΅ ΡΠ°ΠΌΠΎΠ΅ ΡΡΡΠ°ΡΠ½ΠΎΠ΅ ΠΏΠΎΠ·Π°Π΄ΠΈ, Π΄Π°Π»Π΅Π΅, ΡΠΎΡ ΡΠ°Π½ΡΠ΅ΠΌ flash (ΡΡΠΎ ΠΌΠΎΠΆΠ½ΠΎ ΡΠ΄Π΅Π»Π°ΡΡ ΡΠ΅ΡΠ΅Π· ΠΏΡΠΎΠ³ΡΠ°ΠΌΠΌΡ chiploader) ΠΈ eeprom;
8.ΠΠ°Π»ΡΡΠ΅ Π½Π°Ρ ΠΎΠ΄ΠΈΠΌ Π² ΠΈΠ½ΡΠ΅ΡΠ½Π΅ΡΠ΅ ΠΏΠΎΠ΄Ρ ΠΎΠ΄ΡΡΡΡ Π΄Π»Ρ Π²Π°Ρ ΠΏΡΠΎΡΠΈΠ²ΠΊΡ, Π½Π°ΠΆΠΈΠΌΠ°Π΅ΠΌ Π² ΠΏΡΠΎΠ³Π΅ ΠΊΠ½ΠΎΠΏΠΊΡ «ΠΏΡΠΎΠ³ΡΠ°ΠΌΠΈΡΠΎΠ²Π°Π½ΠΈΠ΅ ΠΠΠ£», Π²ΡΠ±ΠΈΡΠ°Π΅ΠΌ Π²Π°ΡΡ Π½ΠΎΠ²ΡΡ ΠΏΡΠΎΡΠΈΠ²ΠΊΡ ΠΈ ΠΎΡΠΊΡΡΠ²Π°ΠΉΡΠ΅, Π΄Π°Π»ΡΡΠ΅ Π΄Π΅Π»Π°Π΅Ρ Π²ΡΠ΅ Π·Π° Π²Π°Ρ ΠΏΡΠΎΠ³ΡΠ°ΠΌΠΌΠ°.
ΠΠΎΡΠ»Π΅ Π²ΡΠ΅Π³ΠΎ ΡΡΠΎΠ³ΠΎ ΡΠΏΠΎΠΊΠΎΠΉΠ½ΠΎ Π²ΡΡΠ°ΡΠΊΠΈΠ²Π°Π΅ΠΌ ΠΏΡΠΎΠ²ΠΎΠ΄Π°, ΡΠΎΠ»ΡΠΊΠΎ Π½ΠΈΡΠ΅Π³ΠΎ Π½Π΅ Π·Π°ΠΌΠΊΠ½ΠΈΡΠ΅, ΠΏΡΠΎΠ²Π΅ΡΡΠ΅ΠΌ Π½Π΅ Π·Π°Π³Π½ΡΠ»ΠΈ Π»ΠΈ Π½ΠΎΠΆΠΊΠΈ Π½Π° ΠΌΠΎΠ·Π³Π°Ρ
ΠΈ ΠΈΠ΄Π΅ΠΌ ΠΈΡΠΏΡΡΡΠ²Π°ΡΡ. ΠΡΠ»ΠΈ ΡΡΠΎ ΡΠΎ Π½Π΅ ΡΠ°ΠΊ, ΠΌΠ°ΡΠΈΠ½Π° Π½Π΅ ΠΏΠΎΠ΄Π°Π΅Ρ Π½ΠΈΠΊΠ°ΠΊΠΈΡ
Π·Π²ΡΠΊΠΎΠ², ΠΈΠ»ΠΈ Π΅ΡΠ΅ ΡΡΠΎ Π»ΠΈΠ±ΠΎ, ΠΏΠΎΠΌΠ½ΠΈΡΠ΅, ΡΡΠΎ ΠΌΠΎΠΆΠ΅Ρ ΠΏΡΠΎΡΠΈΠ²ΠΊΠ° Π½Π΅ ΠΏΠΎΠ΄ΠΎΡΠ»Π°, Π·Π½Π°ΡΠΈΡ ΠΈΠ΄Π΅ΠΌ ΠΈ ΠΏΠΎΠ²ΡΠΎΡΡΠ΅ΠΌ ΠΏΡΠΎΡΠ΅Π΄ΡΡΡ, Π΄Π»Ρ Π΄ΡΡΠ³ΠΎΠΉ ΠΏΡΠΎΡΠΈΠ²ΠΊΠΈ. ΠΠ°Π»ΠΈΠ²Π°Π΅ΠΌ ΠΈ ΠΏΡΠΎΠ²Π΅ΡΡΠ΅ΠΌ.
Π― ΠΎΡΠ΅Π½Ρ ΠΌΠ½ΠΎΠ³ΠΎ Π³Π°Π²Π½Π° ΠΏΠ΅ΡΠ΅ΡΡΠ», Π½ΠΎ Π²ΡΠΎΠ΄Π΅ Π½Π°ΡΠ΅Π» Π±ΠΎΠ»Π΅Π΅-ΠΌΠ΅Π½Π΅Π΅, ΡΠ°ΠΌΡΠ΅ Ρ
ΠΎΡΠΎΡΠΈΠ΅ ΠΏΠ»Π°ΡΠ½ΡΠ΅, Π° Π΅ΡΠ»ΠΈ ΠΈΠ½ΡΠ΅ΡΠ΅ΡΠ½ΠΎ, ΠΌΠΎΠΆΠ½ΠΎ ΡΠ°ΠΌΠΎΠΌΡ ΠΏΠΎΠΏΡΠΎΠ±ΠΎΠ²Π°ΡΡ ΡΠ΄Π΅Π»Π°ΡΡ ΠΏΡΠΎΡΠΈΠ²ΠΊΡ, Π½Ρ ΠΈΠ»ΠΈ Ρ
ΠΎΡΡ Π±Ρ ΠΎΡΠΊΠΎΡΡΠ΅ΠΊΡΠΈΡΠΎΠ²Π°ΡΡ ΠΈΠΌΠ΅ΡΡΠΈΠ΅ΡΡ.
ΠΠΎΠ½Π΅ΡΠ½ΠΎ Π΄ΠΎ Π²ΡΠ΅Π³ΠΎ ΡΡΠΎΠ³ΠΎ Ρ Π½Π΅ ΡΠ°ΠΌ Π΄ΠΎΠΏΠΈΡΠ°Π», ΠΎΡΠ΅Π½Ρ ΠΌΠ½ΠΎΠ³ΠΎ ΠΈΠ½ΡΡ ΡΠ°Π·Π±ΡΠΎΡΠ°Π½ΠΎ ΠΏΠΎ ΠΈΠ½Π΅ΡΡ, ΠΎΡΠΎΠ±Π΅Π½Π½ΠΎ ΠΏΠΎ Π΄ΡΠ°ΠΉΠ²Ρ.
ΠΡΠ»ΠΈ ΡΡΠΎ ΡΠΎ Π½Π΅ ΠΏΠΎΠ½ΡΡΠ½ΠΎ, ΠΏΠΈΡΠΈΡΠ΅ Π² ΠΊΠΎΠΌΠΌΠ΅Π½ΡΠ°Ρ , Ρ ΠΎΡΠ²Π΅ΡΡ, ΠΏΡΠΎΡΡΠΎ Π²ΡΡ Π½Π΅ ΠΎΠΏΠΈΡΠ°ΡΡ ΡΠ»ΠΎΠ²Π°ΠΌΠΈ, ΠΏΡΠΎΡΠ΅ Π½Π° ΠΏΠ°Π»ΡΡΠ°Ρ ΠΏΠΎΠΊΠ°Π·Π°ΡΡ.
ΠΠ΅ΡΠ²ΡΠ΅ Π²Π°ΡΠΈΠ°Π½ΡΡ ΠΏΡΠΎΡΠΈΠ²ΠΎΠΊ Π΄Π»Ρ ΡΠΈΠΏ-ΡΡΠ½ΠΈΠ½Π³Π° ΠΠΠ 2107 ΠΏΠΎΡΠ²ΠΈΠ»ΠΈΡΡ ΠΏΠΎΡΡΠΈ ΡΡΠ°Π·Ρ ΠΏΠΎΡΠ»Π΅ Π²ΡΠΏΡΡΠΊΠ° ΠΌΠΎΠ΄Π΅Π»ΠΈ Ρ ΠΈΠ½ΠΆΠ΅ΠΊΡΠΎΡΠ½ΡΠΌ Π΄Π²ΠΈΠ³Π°ΡΠ΅Π»Π΅ΠΌ β Π² 2008 Π³ΠΎΠ΄Ρ. ΠΡΠΏΡΡΠ°Π½ΠΈΡ Ρ Π°ΡΠ°ΠΊΡΠ΅ΡΠΈΡΡΠΈΠΊ ΡΡΠ½ΠΈΠ½Π³ΠΎΠ²Π°Π½Π½ΠΎΠ³ΠΎ ΡΠ°ΠΊΠΈΠΌ ΠΎΠ±ΡΠ°Π·ΠΎΠΌ Π΄Π²ΠΈΠ³Π°ΡΠ΅Π»Ρ ΠΏΠΎΠΊΠ°Π·Π°Π»ΠΈ, ΡΡΠΎ ΠΈΠ·ΠΌΠ΅Π½Π΅Π½Π½Π°Ρ ΠΏΡΠΎΡΠΈΠ²ΠΊΠ° ΡΡΡΠ΅ΡΡΠ²Π΅Π½Π½ΠΎ ΡΠ»ΡΡΡΠ°Π΅Ρ ΠΏΠΎΠΊΠ°Π·Π°ΡΠ΅Π»ΠΈ ΠΌΠΎΡΠ½ΠΎΡΡΠΈ ΠΈ Π΄ΠΈΠ½Π°ΠΌΠΈΠΊΠΈ Π΄Π°Π½Π½ΠΎΠΉ ΠΌΠΎΠ΄Π΅Π»ΠΈ.
[tip]Π‘ΠΎΠ΄Π΅ΡΠΆΠ°Π½ΠΈΠ΅ ΡΡΡΠ°Π½ΠΈΡΡ
[/tip]
Π§ΡΠΎ Π΄Π°Π΅Ρ ΡΠΈΠΏ-ΡΡΠ½ΠΈΠ½Π³?
ΠΠΎΠ΄Π΅Π»Ρ ΡΠΎΠ»ΡΡΡΡΠΈΠ½ΡΠΊΠΎΠ³ΠΎ ΠΏΡΠΎΠΈΠ·Π²ΠΎΠ΄ΠΈΡΠ΅Π»Ρ β Β«ΡΠ΅ΠΌΠ΅ΡΠΊΠ°Β» (ΠΠΠ 2107) β ΠΏΠΎΠ»ΡΠ·ΡΠ΅ΡΡΡ ΠΏΠΎΠΏΡΠ»ΡΡΠ½ΠΎΡΡΡΡ, Π½Π΅ΡΠΌΠΎΡΡΡ Π½Π° Π±ΠΎΠ»ΡΡΠΎΠ΅ ΠΊΠΎΠ»ΠΈΡΠ΅ΡΡΠ²ΠΎ ΡΠΎΠ²ΡΠ΅ΠΌΠ΅Π½Π½ΡΡ Π°Π²ΡΠΎΠΌΠΎΠ±ΠΈΠ»Π΅ΠΉ Π΄Π°Π½Π½ΠΎΠ³ΠΎ ΠΊΠ»Π°ΡΡΠ°. ΠΡΠΎ ΠΎΠ±ΡΡΡΠ½ΡΠ΅ΡΡΡ Π½Π΅Π²ΡΡΠΎΠΊΠΎΠΉ ΡΠ΅Π½ΠΎΠΉ Π°Π²ΡΠΎ, Π΄Π΅ΡΠ΅Π²ΠΈΠ·Π½ΠΎΠΉ ΠΈ ΠΏΡΠΎΡΡΠΎΡΠΎΠΉ ΡΠ΅ΠΌΠΎΠ½ΡΠ° ΠΈ ΠΎΠ±ΡΠ»ΡΠΆΠΈΠ²Π°Π½ΠΈΡ, Π²ΡΡΠΎΠΊΠΎΠΉ Π½Π°Π΄Π΅ΠΆΠ½ΠΎΡΡΡΡ. Π₯Π°ΡΠ°ΠΊΡΠ΅ΡΠΈΡΡΠΈΠΊΠΈ Π΄Π²ΠΈΠ³Π°ΡΠ΅Π»Ρ Π°Π½Π°Π»ΠΎΠ³ΠΈΡΠ½Ρ Π΄ΡΡΠ³ΠΈΠΌ ΠΎΡΠ΅ΡΠ΅ΡΡΠ²Π΅Π½Π½ΡΠΌ ΠΌΠΎΠ΄Π΅Π»ΡΠΌ, ΠΏΠΎΡΡΠΎΠΌΡ ΡΠΈΠΏ-ΡΡΠ½ΠΈΠ½Π³ ΠΌΠ°Π»ΠΎ ΠΎΡΠ»ΠΈΡΠ°Π΅ΡΡΡ ΠΎΡ ΠΏΡΠΎΡΠ΅ΡΡΠ° ΡΡΠ½ΠΈΠ½Π³Π° Π΄ΡΡΠ³ΠΈΡ ΠΌΠΎΠ΄Π΅Π»Π΅ΠΉ ΠΠΠ ΠΈΠ»ΠΈ ΠΠΠ.

ΠΠ°ΡΠ°ΡΡΡΡ ΠΏΠ΅ΡΠ΅ΠΏΡΠΎΡΠΈΠ²ΠΊΠ° Π±Π»ΠΎΠΊΠ° ΡΠΏΡΠ°Π²Π»Π΅Π½ΠΈΡ β Π½Π΅ΠΎΠ±Ρ ΠΎΠ΄ΠΈΠΌΠ°Ρ ΠΏΡΠΎΡΠ΅Π΄ΡΡΠ° Π΄Π»Ρ ΡΡΠ°Π½Π΄Π°ΡΡΠ½ΠΎΠΉ ΠΠΠ 2107. ΠΡΠΎΠ³ΡΠ°ΠΌΠΌΠ½ΡΠΉ ΡΠΈΠΏ-ΡΡΠ½ΠΈΠ½Π³ ΡΠ»ΡΡΡΠ°Π΅Ρ ΠΎΡΠ½ΠΎΠ²Π½ΡΠ΅ Ρ Π°ΡΠ°ΠΊΡΠ΅ΡΠΈΡΡΠΈΠΊΠΈ Π°Π²ΡΠΎ ΠΈ Π½ΠΎΡΠΌΠ°Π»ΠΈΠ·ΡΠ΅Ρ ΡΠ°Π±ΠΎΡΡ ΠΠΠ£ Π΄Π²ΠΈΠ³Π°ΡΠ΅Π»Ρ, ΠΏΠΎΡΠ»Π΅ ΡΠ΅Π³ΠΎ ΠΈΠ½ΠΆΠ΅ΠΊΡΠΎΡ Π½Π°ΡΠΈΠ½Π°Π΅Ρ ΡΠ°Π±ΠΎΡΠ°ΡΡ Π·Π½Π°ΡΠΈΡΠ΅Π»ΡΠ½ΠΎ Π»ΡΡΡΠ΅. ΠΡΠΎΡΠ΅Π΄ΡΡΠ° Π½Π΅ ΡΠΎΠ»ΡΠΊΠΎ ΡΠ½ΠΈΠΆΠ°Π΅Ρ ΡΠ°ΡΡ ΠΎΠ΄ ΠΈ ΡΠ»ΡΡΡΠ°Π΅Ρ Π΄ΠΈΠ½Π°ΠΌΠΈΠΊΡ, Π½ΠΎ ΠΈ ΠΏΡΠΎΠ΄Π»Π΅Π²Π°Π΅Ρ ΡΡΠΎΠΊ ΡΠ»ΡΠΆΠ±Ρ ΠΈΠ½ΠΆΠ΅ΠΊΡΠΎΡΠΎΠ² ΠΈ ΠΏΠΎΡΡΠ½Π΅Π²ΠΎΠΉ Π³ΡΡΠΏΠΏΡ Π΄Π²ΠΈΠ³Π°ΡΠ΅Π»Ρ.
ΠΠ°ΠΆΠ½ΠΎ: ΡΠΈΠΏ-ΡΡΠ½ΠΈΠ½Π³ ΠΠΠ£ ΠΠΠ 2107 ΠΌΠΎΠΆΠ½ΠΎ ΠΏΡΠΎΠ²ΠΎΠ΄ΠΈΡΡ Π»ΠΈΡΡ Π½Π° ΠΏΠΎΠ»Π½ΠΎΡΡΡΡ ΠΈΡΠΏΡΠ°Π²Π½ΠΎΠΌ Π΄Π²ΠΈΠ³Π°ΡΠ΅Π»Π΅, ΠΏΡΠΎΡΠ΅Π΄ΡΠ΅ΠΌ ΠΎΠ±ΡΡΠΎΡΡΠ΅Π»ΡΠ½ΡΠΉ ΡΠ΅Ρ Π½ΠΈΡΠ΅ΡΠΊΠΈΠΉ ΠΎΡΠΌΠΎΡΡ Ρ ΠΈΡΠΏΠΎΠ»ΡΠ·ΠΎΠ²Π°Π½ΠΈΠ΅ΠΌ ΡΠΏΠ΅ΡΠΈΠ°Π»ΡΠ½ΡΡ ΠΈΠ·ΠΌΠ΅ΡΠΈΡΠ΅Π»ΡΠ½ΡΡ ΠΏΡΠΈΠ±ΠΎΡΠΎΠ² ΠΈ ΠΎΠ±ΠΎΡΡΠ΄ΠΎΠ²Π°Π½ΠΈΡ.
ΠΡΠ±ΠΎΡ ΠΏΡΠΎΠ³ΡΠ°ΠΌΠΌΡ ΡΠΈΠΏ-ΡΡΠ½ΠΈΠ½Π³Π° ΠΈΠ½ΠΆΠ΅ΠΊΡΠΎΡΠ½ΠΎΠΉ ΠΌΠΎΠ΄Π΅Π»ΠΈ ΠΠΠ 2107
Π‘ΠΏΠ΅ΡΠΈΠ°Π»ΠΈΡΡΠ°ΠΌΠΈ ΡΡΠ½ΠΈΠ½Π³ΠΎΠ²ΡΡ Π°ΡΠ΅Π»ΡΠ΅ ΠΈ ΡΠ½ΡΡΠ·ΠΈΠ°ΡΡΠ°ΠΌΠΈ ΡΠ°Π·ΡΠ°Π±ΠΎΡΠ°Π½ΠΎ ΠΌΠ½ΠΎΠΆΠ΅ΡΡΠ²ΠΎ Π²Π΅ΡΡΠΈΠΉ ΠΏΡΠΎΠ³ΡΠ°ΠΌΠΌΠ½ΠΎΠ³ΠΎ ΠΎΠ±Π΅ΡΠΏΠ΅ΡΠ΅Π½ΠΈΡ Π΄Π»Ρ ΡΠΈΠΏ-ΡΡΠ½ΠΈΠ½Π³Π° ΠΠΠ 2107. ΠΠ΄Π½Π°ΠΊΠΎ Π½Π΅ Π²ΡΠ΅ ΡΡΡΠ΅ΡΡΠ²ΡΡΡΠΈΠ΅ ΠΏΡΠΎΠ³ΡΠ°ΠΌΠΌΡ ΡΠ΅ΠΊΠΎΠΌΠ΅Π½Π΄ΠΎΠ²Π°Π½Ρ ΠΊ ΠΏΡΠΈΠΌΠ΅Π½Π΅Π½ΠΈΡ. ΠΡΠΎΡΠΈΠ²ΠΊΠ° ΠΌΠΎΠΆΠ΅Ρ Π±ΡΡΡ Β«ΡΠΏΠ΅ΡΠΈΠ°Π»ΠΈΠ·ΠΈΡΠΎΠ²Π°Π½Π½Π°ΡΒ», Π½Π°ΠΏΡΠΈΠΌΠ΅Ρ, ΡΡΡΠ΅ΡΡΠ²Π΅Π½Π½ΠΎ ΡΠ²Π΅Π»ΠΈΡΠΈΠ²Π°ΡΡΠ°Ρ Π΄ΠΈΠ½Π°ΠΌΠΈΠΊΡ ΠΏΡΠΈ ΡΠ΅Π·ΠΊΠΎΠΌ ΡΠΎΡΡΠ΅ ΡΠ°ΡΡ ΠΎΠ΄Π° ΡΠΎΠΏΠ»ΠΈΠ²Π° ΠΈ ΡΠ½ΠΈΠΆΠ΅Π½ΠΈΠΈ ΠΌΠΎΡΠΎΡΠ΅ΡΡΡΡΠ°. ΠΠ΅ΠΊΠΎΡΠΎΡΡΠ΅ ΠΏΡΠΎΡΠΈΠ²ΠΊΠΈ ΠΏΡΠΎΡΡΠΎ Π½Π΅ ΡΠΎΠΎΡΠ²Π΅ΡΡΡΠ²ΡΡΡ ΡΡΠ°Π½Π΄Π°ΡΡΠ°ΠΌ ΠΊΠ°ΡΠ΅ΡΡΠ²Π° ΠΈ Π½Π΅ Π²ΡΠΏΠΎΠ»Π½ΡΡΡ Π·Π°Π΄Π΅ΠΊΠ»Π°ΡΠΈΡΠΎΠ²Π°Π½Π½ΡΡ ΡΡΠ½ΠΊΡΠΈΠΉ, ΠΈΠ½ΠΎΠ³Π΄Π° Π΄Π°ΠΆΠ΅ ΡΡ ΡΠ΄ΡΠ°Ρ Ρ Π°ΡΠ°ΠΊΡΠ΅ΡΠΈΡΡΠΈΠΊΠΈ Π΄Π²ΠΈΠ³Π°ΡΠ΅Π»Ρ.
ΠΡΡΡΠ΅ ΠΈΡΠΏΠΎΠ»ΡΠ·ΠΎΠ²Π°ΡΡ ΠΏΡΠΎΠ²Π΅ΡΠ΅Π½Π½ΡΠ΅ ΠΏΡΠΎΠ³ΡΠ°ΠΌΠΌΡ, ΡΠ΅ΠΊΠΎΠΌΠ΅Π½Π΄ΠΎΠ²Π°Π½Π½ΡΠ΅ ΡΠΏΠ΅ΡΠΈΠ°Π»ΠΈΡΡΠ°ΠΌΠΈ. ΠΠ΅ΠΊΠ°ΡΠ΅ΡΡΠ²Π΅Π½Π½ΠΎΠ΅ ΠΠ ΠΌΠΎΠΆΠ΅Ρ Π²ΡΠ·Π²Π°ΡΡ ΠΏΡΠΎΠ±Π»Π΅ΠΌΡ Π² ΡΠ°Π±ΠΎΡΠ΅ ΡΠ»Π΅ΠΊΡΡΠΎΠ½Π½ΠΎΠ³ΠΎ Π±Π»ΠΎΠΊΠ° ΡΠΏΡΠ°Π²Π»Π΅Π½ΠΈΡ, ΠΈΠ½ΠΆΠ΅ΠΊΡΠΎΡΠ°, Π²ΡΠΏΡΡΠΊΠ½ΠΎΠ³ΠΎ ΡΡΠ°ΠΊΡΠ° ΠΈ Π΄ΡΡΠ³ΠΈΡ ΡΠ°ΡΡΠ΅ΠΉ ΠΌΠ°ΡΠΈΠ½Ρ.
ΠΠΎΡΡΠΎΠΌΡ ΠΆΠ΅Π»Π°ΡΠ΅Π»ΡΠ½ΠΎ ΠΏΡΠΎΠ²ΠΎΠ΄ΠΈΡΡ ΡΠΈΠΏ-ΡΡΠ½ΠΈΠ½Π³ ΠΠΠ£ Π΄Π²ΠΈΠ³Π°ΡΠ΅Π»Ρ Π² ΡΠΏΠ΅ΡΠΈΠ°Π»ΠΈΠ·ΠΈΡΠΎΠ²Π°Π½Π½ΡΡ ΠΌΠ°ΡΡΠ΅ΡΡΠΊΠΈΡ . Π ΡΡΠΎΠΌ ΡΠ»ΡΡΠ°Π΅ ΡΠΏΠ΅ΡΠΈΠ°Π»ΠΈΡΡΡ ΠΏΡΠ΅Π΄Π²Π°ΡΠΈΡΠ΅Π»ΡΠ½ΠΎ ΠΏΡΠΎΠ²Π΅Π΄ΡΡ Π΄ΠΈΠ°Π³Π½ΠΎΡΡΠΈΠΊΡ Π΄Π²ΠΈΠ³Π°ΡΠ΅Π»Ρ, ΡΠΈΡΡΠ΅ΠΌΡ Π²ΠΏΡΡΡΠΊΠ°, ΠΎΡΠ²ΠΎΠ΄Π° ΠΎΡΡΠ°Π±ΠΎΡΠ°Π½Π½ΡΡ Π³Π°Π·ΠΎΠ² ΠΈ ΠΏΡΠΎΡΠΈΡ ΡΠΈΡΡΠ΅ΠΌ, ΠΏΠΎΡΠ»Π΅ ΡΠ΅Π³ΠΎ ΠΏΡΠ΅Π΄Π»ΠΎΠΆΠ°Ρ ΠΎΠΏΡΠΈΠΌΠ°Π»ΡΠ½ΡΡ Π²Π΅ΡΡΠΈΡ ΠΏΡΠΎΡΠΈΠ²ΠΊΠΈ Π΄Π»Ρ ΠΊΠΎΠ½ΠΊΡΠ΅ΡΠ½ΠΎΠ³ΠΎ Π°Π²ΡΠΎΠΌΠΎΠ±ΠΈΠ»Ρ. ΠΠ°ΡΠ΅ΡΡΠ²Π΅Π½Π½ΡΠΉ ΡΡΠ½ΠΈΠ½Π³ Π½ΠΈΠΊΠ°ΠΊ Π½Π΅ ΡΡ ΡΠ΄ΡΠ°Π΅Ρ ΡΠ΅ΡΡΡΡ Π΄Π΅ΡΠ°Π»Π΅ΠΉ Π΄Π²ΠΈΠ³Π°ΡΠ΅Π»Ρ, ΡΠ»Π΅ΠΊΡΡΠΎΠ½Π½ΠΎΠ³ΠΎ Π±Π»ΠΎΠΊΠ° ΡΠΏΡΠ°Π²Π»Π΅Π½ΠΈΡ ΠΈΠ»ΠΈ ΡΠΈΡΡΠ΅ΠΌΡ Π²ΠΏΡΡΡΠΊΠ°. Π£ΡΡΠ°Π½ΠΎΠ²ΠΊΠ° ΡΡΠ½ΠΈΠ½Π³ΠΎΠ²ΠΎΠ³ΠΎ ΠΠ ΠΈ ΡΠΏΠΎΡΠΎΠ±ΡΡΠ²ΡΠ΅Ρ ΡΠΌΠ΅Π½ΡΡΠ΅Π½ΠΈΡ ΡΠ°ΡΡ ΠΎΠ΄Π° Π±Π΅Π½Π·ΠΈΠ½Π°, ΠΏΠΎΠ²ΡΡΠ΅Π½ΠΈΡ ΠΈΠ·Π½ΠΎΡΠΎΡΡΠΎΠΉΠΊΠΎΡΡΠΈ ΡΠΈΠ»ΠΎΠ²ΠΎΠ³ΠΎ Π°Π³ΡΠ΅Π³Π°ΡΠ°.
Π§ΠΈΠΏ-ΡΡΠ½ΠΈΠ½Π³ β ΠΎΠ±ΡΠ°ΡΠΈΠΌΠ°Ρ, Π½ΠΎ Π²Π΅ΡΡΠΌΠ° ΠΎΡΠ²Π΅ΡΡΡΠ²Π΅Π½Π½Π°Ρ ΠΎΠΏΠ΅ΡΠ°ΡΠΈΡ. ΠΠΎΡΡΠΎΠΌΡ Π΅ΡΠ»ΠΈ Ρ Π²Π°Ρ Π½Π΅Ρ Π½Π΅ΠΎΠ±Ρ ΠΎΠ΄ΠΈΠΌΡΡ Π½Π°Π²ΡΠΊΠΎΠ² ΠΈ ΠΎΠ±ΠΎΡΡΠ΄ΠΎΠ²Π°Π½ΠΈΡ, ΡΠ°ΠΌΡΠΌ ΠΏΡΠ°Π²ΠΈΠ»ΡΠ½ΡΠΌ ΡΠ΅ΡΠ΅Π½ΠΈΠ΅ΠΌ Π±ΡΠ΄Π΅Ρ ΠΎΠ±ΡΠ°ΡΠΈΡΡΡΡ Π² Π°Π²ΡΠΎΠΌΠ°ΡΡΠ΅ΡΡΠΊΡΡ, ΡΠΏΠ΅ΡΠΈΠ°Π»ΠΈΠ·ΠΈΡΡΡΡΡΡΡΡ Π½Π° ΠΏΡΠΎΠ³ΡΠ°ΠΌΠΌΠ½ΠΎΠΌ ΡΡΠ½ΠΈΠ½Π³Π΅ Π°Π²ΡΠΎ.
Π‘Π°ΠΌΠΎΡΡΠΎΡΡΠ΅Π»ΡΠ½ΡΠΉ ΡΠΈΠΏ-ΡΡΠ½ΠΈΠ½Π³ ΠΠΠ 2107
ΠΡΠ΅ΡΠ΅ΡΡΠ²Π΅Π½Π½ΡΠ΅ Π°Π²ΡΠΎΠΌΠΎΠ±ΠΈΠ»ΠΈ ΡΡΠ°Π΄ΠΈΡΠΈΠΎΠ½Π½ΠΎ Π½Π΅ ΠΎΡΠ»ΠΈΡΠ°ΡΡΡΡ ΡΡΠ΅Π·ΠΌΠ΅ΡΠ½ΠΎ ΡΠ»ΠΎΠΆΠ½ΡΠΌΠΈ ΡΠ»Π΅ΠΊΡΡΠΎΠ½Π½ΡΠΌΠΈ ΡΡ Π΅ΠΌΠ°ΠΌΠΈ. ΠΠΌΠ΅Π½Π½ΠΎ ΠΏΡΠΎΡΡΠΎΡΠ° ΡΠΊΡΠΏΠ»ΡΠ°ΡΠ°ΡΠΈΠΈ ΠΈ ΠΎΠ±ΡΠ»ΡΠΆΠΈΠ²Π°Π½ΠΈΡ, Π½Π°Π»ΠΈΡΠΈΠ΅ Π±ΠΎΠ»ΡΡΠΎΠ³ΠΎ ΠΊΠΎΠ»ΠΈΡΠ΅ΡΡΠ²Π° ΡΠΏΡΠ°Π²ΠΎΡΠ½ΠΎΠΉ ΠΈΠ½ΡΠΎΡΠΌΠ°ΡΠΈΠΈ ΠΏΠΎ Π»ΡΠ±ΠΎΠΉ ΠΌΠΎΠ΄Π΅Π»ΠΈ ΡΠ²Π»ΡΠ΅ΡΡΡ ΠΏΡΠΈΡΠΈΠ½ΠΎΠΉ ΠΈΡ ΠΏΠΎΠΏΡΠ»ΡΡΠ½ΠΎΡΡΠΈ Ρ Π°Π²ΡΠΎΠ»ΡΠ±ΠΈΡΠ΅Π»Π΅ΠΉ.
ΠΠ°ΠΊ Π»ΡΠ±ΡΠ΅ ΡΠ°Π±ΠΎΡΡ ΠΏΠΎ ΠΎΠ±ΡΠ»ΡΠΆΠΈΠ²Π°Π½ΠΈΡ ΠΈ ΡΠ΅ΠΌΠΎΠ½ΡΡ, ΠΏΠ΅ΡΠ΅ΠΏΡΠΎΡΠΈΠ²ΠΊΡ ΠΠ ΠΠΠ£ Π΄Π²ΠΈΠ³Π°ΡΠ΅Π»Ρ Ρ ΡΠ΅Π»ΡΡ ΡΠ»ΡΡΡΠ΅Π½ΠΈΡ Π΄ΠΈΠ½Π°ΠΌΠΈΡΠ΅ΡΠΊΠΈΡ ΠΈ ΡΠΊΠΎΠ½ΠΎΠΌΠΈΡΠ΅ΡΠΊΠΈΡ Ρ Π°ΡΠ°ΠΊΡΠ΅ΡΠΈΡΡΠΈΠΊ ΠΌΠ°ΡΠΈΠ½Ρ ΠΌΠΎΠΆΠ½ΠΎ Π²ΡΠΏΠΎΠ»Π½ΠΈΡΡ ΡΠ²ΠΎΠΈΠΌΠΈ ΡΡΠΊΠ°ΠΌΠΈ, Π±Π΅Π· ΠΎΠ±ΡΠ°ΡΠ΅Π½ΠΈΡ Π² ΡΠΏΠ΅ΡΠΈΠ°Π»ΠΈΠ·ΠΈΡΠΎΠ²Π°Π½Π½ΡΠ΅ ΠΌΠ°ΡΡΠ΅ΡΡΠΊΠΈΠ΅.
Π Π°Π·ΡΠΌΠ΅Π΅ΡΡΡ, Π΄Π»Ρ ΡΡΠΎΠ³ΠΎ Π½Π΅ΠΎΠ±Ρ ΠΎΠ΄ΠΈΠΌΡ ΠΎΠΏΡΠ΅Π΄Π΅Π»Π΅Π½Π½ΡΠ΅ Π·Π½Π°Π½ΠΈΡ ΠΈ ΠΎΠ±ΠΎΡΡΠ΄ΠΎΠ²Π°Π½ΠΈΠ΅. Π’Π°ΠΊΠΆΠ΅ Π½Π΅ΠΎΠ±Ρ ΠΎΠ΄ΠΈΠΌΠΎ ΠΏΠΎΠΌΠ½ΠΈΡΡ ΠΎ ΡΠΈΡΠΊΠ°Ρ , ΠΊΠΎΡΠΎΡΡΠΌ ΠΏΠΎΠ΄Π²Π΅ΡΠ³Π°ΡΡΡΡ ΠΈΠ½ΠΆΠ΅ΠΊΡΠΎΡ, ΡΠ»Π΅ΠΊΡΡΠΎΠ½Π½ΡΠΉ Π±Π»ΠΎΠΊ ΠΈ Π΄ΡΡΠ³ΠΈΠ΅ ΡΠΈΡΡΠ΅ΠΌΡ Π°Π²ΡΠΎΠΌΠΎΠ±ΠΈΠ»Ρ Π² ΡΠ»ΡΡΠ°Π΅ Π½Π΅ΠΏΡΠ°Π²ΠΈΠ»ΡΠ½ΠΎΠΉ ΠΏΡΠΎΡΠΈΠ²ΠΊΠΈ ΠΏΡΠΎΠ³ΡΠ°ΠΌΠΌΡ ΡΠΏΡΠ°Π²Π»Π΅Π½ΠΈΡ. ΠΠΎΡΡΠΎΠΌΡ ΡΡΠΎΠΈΡ Π°Π΄Π΅ΠΊΠ²Π°ΡΠ½ΠΎ ΠΎΡΠ΅Π½ΠΈΡΡ ΡΠ²ΠΎΠΈ Π²ΠΎΠ·ΠΌΠΎΠΆΠ½ΠΎΡΡΠΈ ΠΈ, Π΅ΡΠ»ΠΈ ΠΈΠΌΠ΅ΡΡΡΡ ΡΠΎΠΌΠ½Π΅Π½ΠΈΡ, Π΄ΠΎΠ²Π΅ΡΠΈΡΡ ΡΠΈΠΏ-ΡΡΠ½ΠΈΠ½Π³ ΠΏΡΠΎΡΠ΅ΡΡΠΈΠΎΠ½Π°Π»Π°ΠΌ.
ΠΡΠΈ Π½Π°Π»ΠΈΡΠΈΠΈ ΠΎΠ±ΠΎΡΡΠ΄ΠΎΠ²Π°Π½ΠΈΡ, Π½Π°Π²ΡΠΊΠΎΠ², Π΄ΠΎΡΡΠ°ΡΠΎΡΠ½ΠΎΠΉ ΠΈΠ½ΡΠΎΡΠΌΠ°ΡΠΈΠΈ ΠΎ ΠΏΡΠΎΡΠ΅ΡΡΠ΅ ΠΏΡΠΎΠ³ΡΠ°ΠΌΠΌΠ½ΠΎΠ³ΠΎ ΡΡΠ½ΠΈΠ½Π³Π° ΠΈ Π΄ΠΎΠ»ΠΆΠ½ΠΎΠ³ΠΎ Π½Π°ΡΡΡΠΎΡ ΠΌΠΎΠΆΠ½ΠΎ ΡΡΠΏΠ΅ΡΠ½ΠΎ Π½Π°ΡΡΡΠΎΠΈΡΡ ΠΠΠ£ ΠΠΠ 2107 ΡΠ²ΠΎΠΈΠΌΠΈ ΡΡΠΊΠ°ΠΌΠΈ.

ΠΠ΅ΡΠ²ΠΎΠ΅, ΡΡΠΎ Π½Π΅ΠΎΠ±Ρ ΠΎΠ΄ΠΈΠΌΠΎ ΡΠ΄Π΅Π»Π°ΡΡ ΠΏΡΠΈ ΡΠ°ΠΌΠΎΡΡΠΎΡΡΠ΅Π»ΡΠ½ΠΎΠΌ ΠΎΠ±Π½ΠΎΠ²Π»Π΅Π½ΠΈΠΈ ΠΏΡΠΎΠ³ΡΠ°ΠΌΠΌΠ½ΠΎΠ³ΠΎ ΠΎΠ±Π΅ΡΠΏΠ΅ΡΠ΅Π½ΠΈΡ β ΠΎΡΡΠΎΠ΅Π΄ΠΈΠ½ΠΈΡΡ ΠΊΠΎΠ½ΡΡΠΎΠ»Π»Π΅Ρ ΠΠΠ£. ΠΠ»Ρ ΡΡΠΎΠ³ΠΎ Π½Π΅ΠΎΠ±Ρ ΠΎΠ΄ΠΈΠΌΠΎ Π²ΡΠΏΠΎΠ»Π½ΠΈΡΡ 3 Π΄Π΅ΠΉΡΡΠ²ΠΈΡ:
ΠΠΎΡΠ»Π΅ ΡΠ΅Π³ΠΎ ΠΌΠΎΠΆΠ½ΠΎ Π·Π°Π³ΡΡΠ·ΠΈΡΡ Π½ΠΎΠ²ΠΎΠ΅ ΠΠ.
ΠΡΠΆΠ½ΠΎ Π±ΡΡΡ Π²Π½ΠΈΠΌΠ°ΡΠ΅Π»ΡΠ½ΡΠΌ Π½Π΅ ΡΠΎΠ»ΡΠΊΠΎ ΠΏΡΠΈ Π²ΡΠ±ΠΎΡΠ΅ ΠΏΡΠΎΠ³ΡΠ°ΠΌΠΌΡ ΡΡΠ½ΠΈΠ½Π³Π° ΠΈ ΠΎΠ±Π½ΠΎΠ²Π»Π΅Π½ΠΈΠΈ ΠΠ, Π½ΠΎ ΠΈ ΠΏΡΠΈ Π²ΡΠΏΠΎΠ»Π½Π΅Π½ΠΈΠΈ Π²ΡΠ΅Ρ ΠΌΠ΅Ρ Π°Π½ΠΈΡΠ΅ΡΠΊΠΈΡ Π΄Π΅ΠΉΡΡΠ²ΠΈΠΉ, ΡΠ²ΡΠ·Π°Π½Π½ΡΡ ΡΠΎ ΡΠ½ΡΡΠΈΠ΅ΠΌ ΠΈ ΡΡΡΠ°Π½ΠΎΠ²ΠΊΠΎΠΉ ΠΊΠΎΠ½ΡΡΠΎΠ»Π»Π΅ΡΠ°. ΠΡΠΈΠ±ΠΊΠΈ ΠΌΠΎΠ³ΡΡ ΠΏΡΠΈΠ²Π΅ΡΡΠΈ ΠΊ Π½Π°ΡΡΡΠ΅Π½ΠΈΡ ΠΊΠΎΠ½ΡΠ°ΠΊΡΠ° ΠΈ ΡΠ±ΠΎΡΠΌ Π² ΡΠ°Π±ΠΎΡΠ΅ Π΄Π²ΠΈΠ³Π°ΡΠ΅Π»Ρ ΠΈΠ»ΠΈ Π΄Π°ΠΆΠ΅ ΠΊ ΠΏΠΎΠ»ΠΎΠΌΠΊΠ΅ ΡΠ·Π»Π°.
Π’ΡΠ½ΠΈΠ½Π³ ΠΏΡΠΎΠ³ΡΠ°ΠΌΠΌΠ½ΠΎΠ³ΠΎ ΠΎΠ±Π΅ΡΠΏΠ΅ΡΠ΅Π½ΠΈΡ Π±Π»ΠΎΠΊΠ° ΡΠΏΡΠ°Π²Π»Π΅Π½ΠΈΡ ΠΈΠ½ΠΆΠ΅ΠΊΡΠΎΡΠ½ΠΎΠ³ΠΎ Π΄Π²ΠΈΠ³Π°ΡΠ΅Π»Ρ ΠΠ 2107 Π²ΠΏΠΎΠ»Π½Π΅ ΠΌΠΎΠΆΠ½ΠΎ ΠΏΡΠΎΠ²Π΅ΡΡΠΈ ΡΠ°ΠΌΠΎΡΡΠΎΡΡΠ΅Π»ΡΠ½ΠΎ, Π΄Π»Ρ ΡΡΠΎΠ³ΠΎ Π½Π΅ ΡΡΠ΅Π±ΡΠ΅ΡΡΡ Π΄ΠΎΡΠΎΠ³ΠΎΡΡΠΎΡΡΠ΅Π³ΠΎ ΠΎΠ±ΠΎΡΡΠ΄ΠΎΠ²Π°Π½ΠΈΡ. ΠΠ΄Π½Π°ΠΊΠΎ ΠΎΠ±ΡΠ°ΡΠ΅Π½ΠΈΠ΅ ΠΊ ΠΏΡΠΎΡΠ΅ΡΡΠΈΠΎΠ½Π°Π»Π°ΠΌ Π½Π΅ ΡΠΎΠ»ΡΠΊΠΎ ΠΏΠΎΠ·Π²ΠΎΠ»ΠΈΡ ΠΈΠ·Π±Π΅ΠΆΠ°ΡΡ ΡΠΈΡΠΊΠ° ΠΎΡΠΈΠ±ΠΎΠΊ ΠΏΡΠΎΡΠΈΠ²ΠΊΠ΅ ΠΈ ΠΏΠΎΠ²ΡΠ΅ΠΆΠ΄Π΅Π½ΠΈΡ ΡΠ·Π»ΠΎΠ² ΠΈ Π΄Π΅ΡΠ°Π»Π΅ΠΉ ΡΠΈΡΡΠ΅ΠΌ Π΄Π²ΠΈΠ³Π°ΡΠ΅Π»Ρ, Π° ΠΈ ΠΏΠΎΠ΄ΠΎΠ±ΡΠ°ΡΡ ΡΠ°ΠΌΡΡ ΠΏΠΎΠ΄Ρ ΠΎΠ΄ΡΡΡΡ Π²Π΅ΡΡΠΈΡ ΠΏΡΠΎΡΠΈΠ²ΠΊΡ Π² ΡΠΎΠΎΡΠ²Π΅ΡΡΡΠ²ΠΈΠΈ Ρ ΡΠ΅ΠΊΡΡΠΈΠΌ ΡΠΎΡΡΠΎΡΠ½ΠΈΠ΅ΠΌ ΠΈ ΠΎΡΠΎΠ±Π΅Π½Π½ΠΎΡΡΡΠΌΠΈ ΠΊΠΎΠ½ΠΊΡΠ΅ΡΠ½ΠΎΠ³ΠΎ Π΄Π²ΠΈΠ³Π°ΡΠ΅Π»Ρ.
Π¦Π΅Π½Π° ΡΠ°Π±ΠΎΡΡ Π·Π°Π²ΠΈΡΠΈΡ ΠΎΡ ΡΡΠΎΠ²Π½Ρ ΡΠΏΠ΅ΡΠΈΠ°Π»ΠΈΡΡΠΎΠ², ΠΎΠ±ΡΠ΅ΠΌΠ° ΡΠ°Π±ΠΎΡ ΠΏΠΎ Π΄ΠΈΠ°Π³Π½ΠΎΡΡΠΈΠΊΠ΅ ΠΈ (ΠΏΡΠΈ Π½Π΅ΠΎΠ±Ρ ΠΎΠ΄ΠΈΠΌΠΎΡΡΠΈ) ΠΎΠ±ΡΠ»ΡΠΆΠΈΠ²Π°Π½ΠΈΡ ΠΈ ΡΠ΅ΠΌΠΎΠ½ΡΡ Π΄Π΅ΡΠ°Π»Π΅ΠΉ Π΄Π²ΠΈΠ³Π°ΡΠ΅Π»Ρ ΠΏΠ΅ΡΠ΅Π΄ ΠΏΡΠΎΡΠ΅Π΄ΡΡΠΎΠΉ ΡΡΠ½ΠΈΠ½Π³Π°.
Π§ΡΠΎ Π²Ρ ΠΏΠΎΠ»ΡΡΠ°Π΅ΡΠ΅ Π·Π° ΡΠ²ΠΎΠΈ Π΄Π΅Π½ΡΠ³ΠΈ? Π£Π²Π΅Π»ΠΈΡΠ΅Π½ΠΈΠ΅ Π΄ΠΈΠ½Π°ΠΌΠΈΠΊΠΈ ΠΈ ΠΌΠΎΡΠ½ΠΎΡΡΠΈ Π½Π° 7-10%, ΡΠ½ΠΈΠΆΠ΅Π½ΠΈΠ΅ ΡΠ°ΡΡ ΠΎΠ΄Π° ΡΠΎΠΏΠ»ΠΈΠ²Π° Π½Π° 5%, ΡΡΠΎ Π²Π΅ΡΡΠΌΠ° ΡΡΡΠ΅ΡΡΠ²Π΅Π½Π½ΠΎ ΠΏΡΠΈ ΡΠ΅ΠΊΡΡΠΈΡ ΡΠ΅Π½Π°Ρ .












































